Overview
The Target Supply Adapter provides an adjustable supply voltage to the target board. It has a standard 20-pin 0.1" socket towards the J-Link debug probe or Flasher in-circuit programmer, and a standard 20-pin 0.1" header on the target side and can directly be inserted between the J-Link or Flasher and the debug cable maintaining a 1:1 connection of all debug signals. The supply voltage to the target is provided through pin 19 of the debug cable.
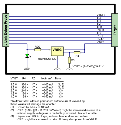
The supply voltage is fixed to 3.3 V and can be adjusted in the range 3.6 V down to 0.8 V by means of changing a single resistor on the adapter (soldering required, resistor package SMD 0805). Since the Target Supply Adapter is fed by the J-Link, its current capability is limited to 400 mA. Furthermore the current capability depends on the chosen target voltage. Example target voltage/output current combinations:
- 3,6 V / 400 mA*
- 3,3 V / 400 mA*(default)
- 2,5 V / 300 mA**
- 1,8 V / 200 mA**
- 1,0 V / 150 mA**
Notes:
* To operate the Target Supply Adapter with the battery-powered Flasher Portable adjustment of an additional resistor. (SMD 1206) might be required.
** Exceeding these current values will damage the adapter. To increase maximum output current see block diagram below.

