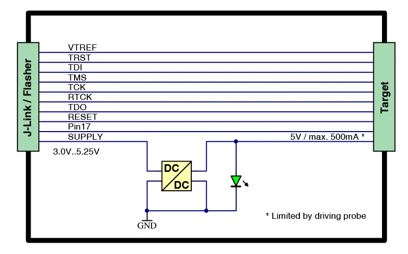
Overview
The 5V Target Supply Adapter provides a supply voltage of 5 V to the target board. It can directly be inserted between the Flasher, or J-Link and the debug cable maintaining a 1:1 connection of all debug signals.
The supply voltage to the target is provided through pin 19 of the debug cable. The supply voltage is fixed to 5 V.
Specifications
- Output voltage: 5 V +/- 5 %
- Output current: 5 V / 500 mA
Max. output current depends on power capability of driving unit. Operation on typical J-Link (4.5 V / 300 mA max.): 5 V / 220 mA. - Max. capacitive load: 220 uF
- Ramp time (output): 2-6 ms

