
Flasher 5 — (Legacy) Flash programmer for Microcontrollers
Flash programmer for M16C, M32C, R8C, R32C, M38000 and ST9 series of flash microcontrollers.
- Small, compact housing
- Easy to use windows program
- Free updates
- Serial (in target) programming supported
- Programming / Verifying / Read back supported
- 2MByte internal Flash memory to store target program
- High speed programming: app. 17 sec for 256 KB in serial mode with 10 MHz M16C target for programming and verification
*Please note: Flasher 5 is a legacy product, its successor is Flasher PRO. In case you require 12V operation, please contact us.
- 1.Using The FLASHER PC Program
- 2.Operating FLASHER in Stand-Alone Mode
- 2.1.Setup
- 2.2.Additional options
- 2.3.ID check
- 2.4.Problems with ID check
- 3.Remote Control of FLASHER 5
- 4.ASCII Command Interface
- 5.Using the Serial Link to Program in Circuit
- 6.Serial Programming, Technical Details
- 7.Flasher 5 Specifications
- 8.Target system interface for M16C/62, M16C/80, M32C
- 9.Target system interface for M30201
- 10.Target system interface for M16C26, M16C28
- 11.Target system interface for M16C26A, M16C29
- 12.Target system interface for M30220
- 13.Target system interface for M37906F8
- 14.Target system interface for M38xx groups
- 15.Target system interface for M3803H group
- 16.Target system interface for M38507 groups
- 17.Target system interface for M38C2 groups
- 18.Target system interface for 7542 groups
- 19.Target system interface for R8C groups
- 20.10-pin Needle Adapter
- 21.Supported Devices
- 22.Package content
Getting Started
The Flasher PC software be downloaded from the Flasher Download page. Starting the setup program will guide you through the installation process.
Connecting Flasher to the PC
- Connect FLASHER to a PC running Windows using the NULL-modem cable and run the FLASHER software FLASHER.EXE.
- Connect FLASHER to the power supply.
- Set up the device via Options menu of PC program.
- For in-circuit programming: Connect FLASHER to target system via customized interface cable.
- Before connecting the target system to Flasher, ensure, there is no ground potential difference between target and Flasher, otherwise the Flasher may be damaged.
A standard serial interface cable (null modem) can be used to connect FLASHER to the PC. The pin assignment of the 9 pin SUB-D male RS-232 interface connector is as follows:
| Pin | Signal | Function | Host Signal |
|---|---|---|---|
| 2 | RxD | Serial asynchronous (RS232) data input | Serial data output (TxD) |
| 3 | TxD | Serial asynchronous (RS232) data output | Serial data input (RxD) |
| 5 | GND | Signal ground | Signal ground |
Using The FLASHER PC Program
Communication between PC and FLASHER
Make sure the power supply is connected (one of FLASHERs LEDs should be illuminated) and FLASHER is connected to your PC with a NULL-modem cable as supplied. If the PC-program displays anything other than "No communication" under flasher status, the communication between Flasher and your PC is functioning.
First time setup of Flasher
When using FLASHER for the first time, please select the menu point Options->Device. You will see the following dialog box:
First carefully select the correct target device. A false selection may damage your target! Then select the chip area you would like to access, the sectors of the on chip-flash and the interface you would like to use. The serial interface requires a cable to connect FLASHER to your target. For targets running at low frequencies, it may be necessary to set the speed option to Slow.
Now you should be able to blank check, clear, program, verify or read the target chip in serial mode (if your target is properly connected to the FLASHER). The first time you program or verify, the PC downloads your your target program to the FLASHER, where it is stored in the on board FLASH chip for programming or verification. The PC-Program stores all setup information in the registry; when you start the program the next time, it will start with the same settings.
Programming / Clearing / Verifying / Blank check
Select one of the commands in the TARGET menu to start the operation. Note that some of the menu points may be grayed if you have no connection to the target or no file loaded.
Operating FLASHER in Stand-Alone Mode
After download the target program is stored in FLASHERs on board Flash memory until FLASHER is reconfigured for another target, or an other target application program is downloaded to FLASHER. Any number of microcontroller may then be programmed by FLASHER (one at a time) without the need of a host PC, by simply pressing the start button. FLASHER will use the settings which have been made in the PC-program. This includes the selection of the sectors of the FLASH and the interface. The progress and the result of the operation is indicated by the LED:
| Status of LED | Meaning |
|---|---|
| GREEN, flashing | Erasing / Programming / Verifying in progress |
| GREEN | Programming operation successful |
| RED | Programming operation failed |
Setup
The operating mode of Flasher may be changed using the setup dialog from the Options menu. Power up mode, Power down mode and Reset mode should not be changed for normal operation. Setting of Power down mode has no effect on FLASHER MV3.You may change the reset active and reset inactive time, if required by your target hardware. All setup settings are stored permanently in FLASHER after pressing 'Save setup' button.
Additional options
The operating mode of FLASHER may be changed using the setup dialog from the Options menu.Power up mode, Power down mode and Reset mode should not be changed for normal operation. Setting of Power down mode has no effect on FLASHER MV3. You may change the reset active and reset inactive time, if required by your target hardware.All setup settings are stored permanently in FLASHER after pressing 'Save setup' button.
ID check
When programming the chip in serial mode (in target), a 7 byte identification has to be supplied. If the target mcus user program area is blank, this id-value does not matter. However, after programming, these values need to be set correctly, because otherwise FLASHER will be unable to communicate with the target CPU. These ID-values can be set using the menu point Options|Pass code (7 byte ID). With a standard program, these values should be 0, as the high bytes of the interrupt vectors which are used to store the values are usually 0. For more detailed information, please consult the Renesas users manual. The menu point "Edit|Copy Renesas Id into loaded file" can be used to set these 7 ID bytes.
Problems with ID check
You should act carefully when using the ID bytes. If you do not know the ID-value programmed into a target chip, there is no way to erase, read or reprogram the chip in-circuit. We recommend not to use this feature during the development process.
Remote Control of FLASHER 5
FLASHER 5 can be remote controlled by automated testers without the need of a connection to PC and Flashers PC program. Therefore FLASHER 5 is equipped with additional hardware control functions, which are connected to the SUBD9 male connector, normally used as RS232 interface to PC. The following diagram shows the internal remote control circuitry of FLASHER:
ASCII Command Interface
FLASHER with firmware version 1.84 or above can be controlled without the need of Flashers PC program. FLASHER firmware contains an ASCII command interface function. Any application may send commands via RS232 to Flasher to start programming of target CPU. A manual which describes ASCII command interface can be downloaded from our download page.
Using the Serial Link to Program in Circuit
FLASHER can be used for in circuit programming of supported CPUs, which incorporate built in firmware for serial update of user flash. The target system has to be designed to support this mode of operation. Refer to target specific connection diagrams or Users manuals of your target CPU.
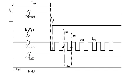
Serial Programming, Technical Details
Serial programming uses a clock synchronous interface. 8 bits of data (1 byte) is transferred at a time. The commands which are used are described in the Renesas manual. In general, the sequence is as follows:
- FLASHER resets the target system by pulling the /Reset line low for a short period of time (1-2 ms)
- FLASHER waits for app. 500 ms (tRd)) in order to allow the target system to recover from reset
- FLASHER checks the BUSY line. If it is active (high level) FLASHER stops with error message 40: Target chip says "BUSY" because it can not communicate with the target system
- FLASHER outputs one clock (clock changes from high to low and back). BUSY should now be active (high) If it is not active, FLASHER stops with error message 41: Target chip: Busy, does not react
- FLASHER outputs 7 more data bits ( 7 clock cycles) and wait for BUSY to go low. More data bytes are output (or read) as explained under d)/e)
Flasher 5 Specifications
The clocked synchronous interface from FLASHER to target system has to be connected to the 10 pin dual in line pin connector, (pin 1 is on the top left, marked at the connector) as shown in the diagram.
| Pin nr. | Signal | Function | Specification/remarks. |
|---|---|---|---|
| 1 | VCCS | Positive supply voltage of target | Input 3.0 .. 5.5V to supply the interface |
| 2 | BUSY | Target CPU Busy signal output. | FLASHER Input with Pull-Up to internal 3.3V |
| 3 | SCLK | Target CPU Serial clock (input) | FLASHER Output, CMOS driver via 220 Ohms |
| 4 | RxD | Target CPU Serial data input | FLASHER Output, CMOS driver via 220 Ohms |
| 5 | CE | Chip enable signal of target CPU | FLASHER Input/Output |
| 6 | EPM | EPM signal of target CPU | FLASHER Input/Output |
| 7 | GND | Common signal ground | --- |
| 8 | RESET | RESET signal of target system | FLASHER Output, CMOS driver via 220 Ohms |
| 9 | CNVss | Target CPU CNVss signal | FLASHER analog Output |
| 10 | TxD | Target CPU Serial data output | FLASHER Input/Output |
The pull-up resistors of outputs are connected to VCCS. If RESET of the target system is driven by a reset circuitry with active high driver, RESET output of FLASHER must not be connected directly to CPU reset of target. For M16C/62 or M16C/80 targets you do not have to connect RESET to FLASHER; you can always manually reset your target system after connecting FLASHER.
The Following Table Lists All Major Modifications of Flasher Software
| Version | New features | Improvements / Corrections | Flasher type |
|---|---|---|---|
| V2.15 | Added support for hardware revision 1.3 | NONE | Flasher 5 PRO |
| V2.14 | NONE | Under special circumstances the firmware update failed. Fixed. | Flasher 5 PRO |
| V2.12a | Range of selectable serial ports increased. | A serial com port in the range 1-256 can be selected in the Flasher software. | Flasher 5R3 / 5 PRO |
| V2.12 | NONE | Under special circumstances the Flasher lost the internal data after a power cycle. Fixed. | Flasher 5 PRO |
| V2.10 | Support for USB added. Support for Ethernet added. | The Flasher software can now communicate with the Flasher 5 PRO via USB or Ethernet. On USB the Flasher 5 PRO is identified via serial number. On Ethernet the Flasher 5 PRO can be identified either via IP address or serial number. | Flasher 5 PRO |
| V2.00s | Webserver added. Telnet server added. | Flasher 5 PRO now comes with a webserver. A telnet server is included which allows controlling the Flasher via Ethernet. The telnet server processes the same commands as used with ASCII mode over UART. Initially, Flasher 5 PRO connects to the Ethernet using DHCP. The tool 5PRO_UDPDiscover can be used to examine the IP address. The webserver may then be used to assign a fixed IP address. | Flasher 5 PRO |
| V2.00s | R8C/34W series supported R8C/34X series supported R8C/34Y series supported R8C/34Z series supported R8C/35D series supported M16C/63 series, additional devices supported | NONE. | Flasher 5R3 / 5 PRO |
| V2.00q | NONE. | Firmware update modified for Flasher 5 PRO. The previous version did not allow downgrading to an older version. Downloading and starting the new firmware V2.00q modifies the bootloader of Flasher 5 PRO which then allows downgrading the firmware. | Flasher 5 PRO |
| V2.00p | Asynchronous serial support for M16C/M32C/R32C with Flasher 5 PRO. | Programming speed improved for R8C. Problem with low baud rates for R8C/3x and R8C/Lx devices fixed. Could not be used in previuos versions of the firmware. Blank check time improved for R8C/3x and R8C/Lx devices. PC software 2.00p and a firmware update to version 2.00p is required to use the improvements. | Flasher 5 PRO |
| V2.00o | R32C series supported with Flasher 5 PRO. | NONE. | Flasher 5 PRO |
| V2.00n | M7900 series supported with Flasher 5 PRO. | Target reset driver firmware corrected. The push-pull output did not work in previous version. The reset output was driven in open drain configuration always, regardless the setup options. | Flasher 5 PRO |
| V2.00m | R8C/2K supported. R8C/2L supported. | NONE. | Flasher 5R3 / 5 PRO |
10-pin Needle Adapter

SEGGER offers the 10-pin Needle Adapter, which has been designed to connect Flasher 5, Flasher 5 PRO, Flasher ST7 or Flasher STM8 to a PCB which does not come with a mating connector or programming header. The designed pattern with 3 locating pins ensures that the adapter can only be connected in one way.
The 10-pin needle adapter allows manufacturers to save costs and space on their PCBs since there is no need to provide the PCB with additional connectors. It adapts from the 10-pin, 0.1 inch connector to a 10-pin, 0.05 inch needle pattern.
Supported Devices
The following devices are supported by Flasher 5 and Flasher 5 PRO:
| MCU | Flash Memory Size | RAM Size | Package | Flasher 5 R3 | Flasher 5 PRO |
|---|---|---|---|---|---|
| 7641 group | |||||
| M37641F8FP | 32 KB | 2560 Bytes | 80-pin QFP (80P6N-A) (0.8mm pitch) | Yes | -- |
| M37641F8HP | 32 KB | 2560 Bytes | 80-pin LQFP (80P6Q-A) (0.5mm pitch) | Yes | -- |
| M16C/1N group | |||||
| M301N2F8TFP | 68 KB | 3 KB | 48-pin QFP (48P6Q-A) (0.5mm pitch) | Yes | Yes |
| M16C/20 group | |||||
| M30201F6FP | 48 KB | 2 KB | 56-pin QFP (56P6S-A) (0.65 mm pitch) | Yes | -- |
| M30201F6SP | 48 KB | 2 KB | 52-pin SDIP (52P4B) (1.778 mm pitch) | Yes | -- |
| M30201F6TFP | 48 KB | 2 KB | 56-pin QFP (56P6S-A) (0.65 mm pitch) | Yes | -- |
| M30201F6TSP | 48 KB | 2 KB | 52-pin SDIP (52P4B) (1.778 mm pitch) | Yes | -- |
| M30218FCFP | 128 KB | 12 KB | 100-pin QFP (100P6S-A) (0.65 mm pitch) | Yes | -- |
| M30220FCGP | 128 KB | 6 KB | 144-pin QFP (144P6Q-A) (0.5 mm pitch) | Yes | -- |
| M16C/24 group | |||||
| M30245FCGP | 128 KB | 64 KB | 100-pin QFP (100P6Q-A) (0.5mm pitch) | Yes | Yes |
| M16C/26 group | |||||
| M30262F3GP | 28 KB | 1 KB | 48-pin QFP (48P6Q-A) (0.5 mm pitch) | Yes | Yes |
| M30262F4GP | 36 KB | 1 KB | 48-pin QFP (48P6Q-A) (0.5mm pitch) | Yes | Yes |
| M30262F6GP | 52 KB | 2 KB | 48-pin QFP (48P6Q-A) (0.5mm pitch) | Yes | Yes |
| M30262F8GP | 68 KB | 2 KB | 48-pin QFP (48P6Q-A) (0.5mm pitch) | Yes | Yes |
| M16C/26A group | |||||
| M30260F3AGP | 28 KB | 1 KB | 48-pin QFP (48P6Q-A) (0.5 mm pitch) | Yes | Yes |
| M30260F3TGP | 28 KB | 1 KB | 48-pin QFP (48P6Q-A) (0.5 mm pitch) | Yes | Yes |
| M30260F3VGP | 28 KB | 1 KB | 48-pin QFP (48P6Q-A) (0.5 mm pitch) | Yes | Yes |
| M30260F4AGP | 36 KB | 1 KB | 48-pin QFP (48P6Q-A) (0.5mm pitch) | Yes | Yes |
| M30260F4TGP | 36 KB | 1 KB | 48-pin QFP (48P6Q-A) (0.5mm pitch) | Yes | Yes |
| M30260F4VGP | 36 KB | 1 KB | 48-pin QFP (48P6Q-A) (0.5mm pitch) | Yes | Yes |
| M30260F6AGP | 52 KB | 2 KB | 48-pin QFP (48P6Q-A) (0.5mm pitch) | Yes | Yes |
| M30260F6TGP | 52 KB | 2 KB | 48-pin QFP (48P6Q-A) (0.5mm pitch) | Yes | Yes |
| M30260F6VGP | 52 KB | 2 KB | 48-pin QFP (48P6Q-A) (0.5mm pitch) | Yes | Yes |
| M30260F8AGP | 68 KB | 2 KB | 48-pin QFP (48P6Q-A) (0.5mm pitch) | Yes | Yes |
| M30260F8TGP | 68 KB | 2 KB | 48-pin QFP (48P6Q-A) (0.5mm pitch) | Yes | Yes |
| M30260F8VGP | 68 KB | 2 KB | 48-pin QFP (48P6Q-A) (0.5mm pitch) | Yes | Yes |
| M30263F3AFP | 28 KB | 1 KB | 42-pin SSOP (42P2R) (0.8mm pitch) | Yes | Yes |
| M30263F4AFP | 36 KB | 1 KB | 42-pin SSOP (42P2R) (0.8mm pitch) | Yes | Yes |
| M30263F6AFP | 52 KB | 2 KB | 42-pin SSOP (42P2R) (0.8mm pitch) | Yes | Yes |
| M30263F8AFP | 68 KB | 2 KB | 42-pin SSOP (42P2R) (0.8mm pitch) | Yes | Yes |
| M16C/28 group | |||||
| M30280F6HP | 52 KB | 4 KB | 80-pin LQFP (80P6Q-A) (0.5mm pitch) | Yes | Yes |
| M30280F6THP | 52 KB | 4 KB | 80-pin LQFP (80P6Q-A) (0.5mm pitch) | Yes | Yes |
| M30280F6VHP | 52 KB | 4 KB | 80-pin LQFP (80P6Q-A) (0.5mm pitch) | Yes | Yes |
| M30280F8HP | 68 KB | 4 KB | 80-pin LQFP (80P6Q-A) (0.5mm pitch) | Yes | Yes |
| M30280F8THP | 68 KB | 4 KB | 80-pin LQFP (80P6Q-A) (0.5mm pitch) | Yes | Yes |
| M30280F8VHP | 68 KB | 4 KB | 80-pin LQFP (80P6Q-A) (0.5mm pitch) | Yes | Yes |
| M30280FAHP | 100 KB | 8 KB | 80-pin LQFP (80P6Q-A) (0.5mm pitch) | Yes | Yes |
| M30280FATHP | 100 KB | 8 KB | 80-pin LQFP (80P6Q-A) (0.5mm pitch) | Yes | Yes |
| M30280FAVHP | 100 KB | 8 KB | 80-pin LQFP (80P6Q-A) (0.5mm pitch) | Yes | Yes |
| M30280FCHP | 132 KB | 12 KB | 80-pin LQFP (80P6Q-A) (0.5mm pitch) | Yes | Yes |
| M30281F6HP | 52 KB | 4 KB | 64-pin LQFP (64P6Q-A) (0.5 mm pitch) | Yes | Yes |
| M30281F6THP | 52 KB | 4 KB | 64-pin LQFP (64P6Q-A) (0.5 mm pitch) | Yes | Yes |
| M30281F6VHP | 52 KB | 4 KB | 64-pin LQFP (64P6Q-A) (0.5 mm pitch) | Yes | Yes |
| M30281F8HP | 68 KB | 4 KB | 64-pin LQFP (64P6Q-A) (0.5 mm pitch) | Yes | Yes |
| M30281F8THP | 68 KB | 4 KB | 64-pin LQFP (64P6Q-A) (0.5 mm pitch) | Yes | Yes |
| M30281F8VHP | 68 KB | 4 KB | 64-pin LQFP (64P6Q-A) (0.5 mm pitch) | Yes | Yes |
| M30281FAHP | 100 KB | 8 KB | 64-pin LQFP (64P6Q-A) (0.5 mm pitch) | Yes | Yes |
| M30281FATHP | 100 KB | 8 KB | 64-pin LQFP (64P6Q-A) (0.5 mm pitch) | Yes | Yes |
| M30281FAVHP | 100 KB | 8 KB | 64-pin LQFP (64P6Q-A) (0.5 mm pitch) | Yes | Yes |
| M30281FCHP | 132 KB | 12 KB | 64-pin LQFP (64P6Q-A) (0.5 mm pitch) | Yes | Yes |
| M16C/28B group | |||||
| M30280FCBHP | 132 KB | 12 KB | 80-pin LQFP (80P6Q-A) (0.5mm pitch) | Yes | Yes |
| M30281FCBHP | 132 KB | 12 KB | 64-pin LQFP (64P6Q-A) (0.5 mm pitch) | Yes | Yes |
| M16C/29 group | |||||
| M30290F8HP | 68 KB | 4 KB | 80-pin LQFP (80P6Q-A) (0.5mm pitch) | Yes | Yes |
| M30290F8THP | 68 KB | 4 KB | 80-pin LQFP (80P6Q-A) (0.5mm pitch) | Yes | Yes |
| M30290F8VHP | 68 KB | 4 KB | 80-pin LQFP (80P6Q-A) (0.5mm pitch) | Yes | Yes |
| M30290FAHP | 100 KB | 8 KB | 80-pin LQFP (80P6Q-A) (0.5mm pitch) | Yes | Yes |
| M30290FATHP | 100 KB | 8 KB | 80-pin LQFP (80P6Q-A) (0.5mm pitch) | Yes | Yes |
| M30290FAVHP | 100 KB | 8 KB | 80-pin LQFP (80P6Q-A) (0.5mm pitch) | Yes | Yes |
| M30290FCHP | 132 KB | 12 KB | 80-pin LQFP (80P6Q-A) (0.5mm pitch) | Yes | Yes |
| M30290FCTHP | 132 KB | 12 KB | 80-pin LQFP (80P6Q-A) (0.5mm pitch) | Yes | Yes |
| M30290FCVHP | 132 KB | 12 KB | 80-pin LQFP (80P6Q-A) (0.5mm pitch) | Yes | Yes |
| M30291F8HP | 68 KB | 4 KB | 64-pin LQFP (64P6Q-A) (0.5 mm pitch) | Yes | Yes |
| M30291F8THP | 68 KB | 4 KB | 64-pin LQFP (64P6Q-A) (0.5 mm pitch) | Yes | Yes |
| M30291F8VHP | 68 KB | 4 KB | 64-pin LQFP (64P6Q-A) (0.5 mm pitch) | Yes | Yes |
| M30291FAHP | 100 KB | 8 KB | 64-pin LQFP (64P6Q-A) (0.5 mm pitch) | Yes | Yes |
| M30291FATHP | 100 KB | 8 KB | 64-pin LQFP (64P6Q-A) (0.5 mm pitch) | Yes | Yes |
| M30291FAVHP | 100 KB | 8 KB | 64-pin LQFP (64P6Q-A) (0.5 mm pitch) | Yes | Yes |
| M30291FCHP | 132 KB | 12 KB | 64-pin LQFP (64P6Q-A) (0.5 mm pitch) | Yes | Yes |
| M30291FCTHP | 132 KB | 12 KB | 64-pin LQFP (64P6Q-A) (0.5 mm pitch) | Yes | Yes |
| M30291FCVHP | 132 KB | 12 KB | 64-pin LQFP (64P6Q-A) (0.5 mm pitch) | Yes | Yes |
| M16C/56 group | |||||
| R5F35620JFE | 64 KB | 4 KB | 80-pin (PLQP0080KB-A) (0.5 mm pitch) | Yes | Yes |
| R5F35620KFE | 64 KB | 4 KB | 80-pin (PLQP0080KB-A) (0.5 mm pitch) | Yes | Yes |
| R5F35623JFE | 96 KB | 8 KB | 80-pin (PLQP0080KB-A) (0.5 mm pitch) | Yes | Yes |
| R5F35623KFE | 96 KB | 8 KB | 80-pin (PLQP0080KB-A) (0.5 mm pitch) | Yes | Yes |
| R5F35626JFE | 128 KB | 12 KB | 80-pin (PLQP0080KB-A) (0.5 mm pitch) | Yes | Yes |
| R5F35626KFE | 128 KB | 12 KB | 80-pin (PLQP0080KB-A) (0.5 mm pitch) | Yes | Yes |
| R5F3562EJFE | 256 KB | 20 KB | 80-pin (PLQP0080KB-A) (0.5 mm pitch) | Yes | Yes |
| R5F3562EKFE | 256 KB | 20 KB | 80-pin (PLQP0080KB-A) (0.5 mm pitch) | Yes | Yes |
| R5F35630JFF | 64 KB | 4 KB | 64-pin (PLQP0064KB-A) (0.5 mm pitch) | Yes | Yes |
| R5F35630KFF | 64 KB | 4 KB | 64-pin (PLQP0064KB-A) (0.5 mm pitch) | Yes | Yes |
| R5F35633JFF | 96 KB | 8 KB | 64-pin (PLQP0064KB-A) (0.5 mm pitch) | Yes | Yes |
| R5F35633KFF | 96 KB | 8 KB | 64-pin (PLQP0064KB-A) (0.5 mm pitch) | Yes | Yes |
| R5F35636JFF | 128 KB | 12 KB | 64-pin (PLQP0064KB-A) (0.5 mm pitch) | Yes | Yes |
| R5F35636KFF | 128 KB | 12 KB | 64-pin (PLQP0064KB-A) (0.5 mm pitch) | Yes | Yes |
| R5F3563EJFF | 256 KB | 20 KB | 64-pin (PLQP0064KB-A) (0.5 mm pitch) | Yes | Yes |
| R5F3563EKFF | 256 KB | 20 KB | 64-pin (PLQP0064KB-A) (0.5 mm pitch) | Yes | Yes |
| M16C/57 group | |||||
| R5F35MAEJFB | 256 KB | 20 KB | 100-pin (PLQP0100KB-A) (0.5 mm pitch) | Yes | Yes |
| R5F35MBEJFE | 256 KB | 20 KB | 80-pin (PLQP0080KB-A) (0.5 mm pitch) | Yes | Yes |
| M16C/5L group | |||||
| R5F35L20JFE | 64 KB | 4 KB | 80-pin (PLQP0080KB-A) (0.5 mm pitch) | Yes | Yes |
| R5F35L20KFE | 64 KB | 4 KB | 80-pin (PLQP0080KB-A) (0.5 mm pitch) | Yes | Yes |
| R5F35L23JFE | 96 KB | 8 KB | 80-pin (PLQP0080KB-A) (0.5 mm pitch) | Yes | Yes |
| R5F35L23KFE | 96 KB | 8 KB | 80-pin (PLQP0080KB-A) (0.5 mm pitch) | Yes | Yes |
| R5F35L26JFE | 128 KB | 12 KB | 80-pin (PLQP0080KB-A) (0.5 mm pitch) | Yes | Yes |
| R5F35L26KFE | 128 KB | 12 KB | 80-pin (PLQP0080KB-A) (0.5 mm pitch) | Yes | Yes |
| R5F35L2EJFE | 256 KB | 20 KB | 80-pin (PLQP0080KB-A) (0.5 mm pitch) | Yes | Yes |
| R5F35L2EKFE | 256 KB | 20 KB | 80-pin (PLQP0080KB-A) (0.5 mm pitch) | Yes | Yes |
| R5F35L30JFF | 64 KB | 4 KB | 64-pin (PLQP0064KB-A) (0.5 mm pitch) | Yes | Yes |
| R5F35L30KFF | 64 KB | 4 KB | 64-pin (PLQP0064KB-A) (0.5 mm pitch) | Yes | Yes |
| R5F35L33JFF | 96 KB | 8 KB | 64-pin (PLQP0064KB-A) (0.5 mm pitch) | Yes | Yes |
| R5F35L33KFF | 96 KB | 8 KB | 64-pin (PLQP0064KB-A) (0.5 mm pitch) | Yes | Yes |
| R5F35L36JFF | 128 KB | 12 KB | 64-pin (PLQP0064KB-A) (0.5 mm pitch) | Yes | Yes |
| R5F35L36KFF | 128 KB | 12 KB | 64-pin (PLQP0064KB-A) (0.5 mm pitch) | Yes | Yes |
| R5F35L3EJFF | 256 KB | 20 KB | 64-pin (PLQP0064KB-A) (0.5 mm pitch) | Yes | Yes |
| R5F35L3EKFF | 256 KB | 20 KB | 64-pin (PLQP0064KB-A) (0.5 mm pitch) | Yes | Yes |
| M16C/62 group | |||||
| M30620FCTFP | 128 KB | 10 KB | 100-pin (100P6S-A) (0.65 mm pitch) | Yes | Yes |
| M30621FCTGP | 128 KB | 10 KB | 80-pin QFP (80P6S-A) (0.65 mm pitch) | Yes | Yes |
| M30624FGFP | 256 KB | 20 KB | 100-pin (100P6S-A) (0.65 mm pitch) | Yes | Yes |
| M30624FGGP | 256 KB | 20 KB | 100-pin LQFP (100P6Q-A) (0.5 mm pitch) | Yes | Yes |
| M30625FGGP | 256 KB | 20 KB | 80-pin QFP (80P6S-A) (0.65 mm pitch) | Yes | Yes |
| M16C/62A group | |||||
| M30620FCAFP | 128 KB | 10 KB | 100-pin (100P6S-A) (0.65 mm pitch) | Yes | Yes |
| M30620FCAGP | 128 KB | 10 KB | 100-pin LQFP (100P6Q-A) (0.5 mm pitch) | Yes | Yes |
| M30621FCAGP | 128 KB | 10 KB | 80-pin QFP (80P6S-A) (0.65 mm pitch) | Yes | Yes |
| M30624FGAFP | 256 KB | 20 KB | 100-pin (100P6S-A) (0.65 mm pitch) | Yes | Yes |
| M30624FGAGP | 256 KB | 20 KB | 100-pin LQFP (100P6Q-A) (0.5 mm pitch) | Yes | Yes |
| M30625FGAGP | 256 KB | 20 KB | 80-pin QFP (80P6S-A) (0.65 mm pitch) | Yes | Yes |
| M16C/62L group | |||||
| M30624FGLFP | 256 KB | 20 KB | 100-pin (100P6S-A) (0.65 mm pitch) | Yes | Yes |
| M30624FGLGP | 256 KB | 20 KB | 100-pin LQFP (100P6Q-A) (0.5 mm pitch) | Yes | Yes |
| M30625FGLGP | 256 KB | 20 KB | 80-pin QFP (80P6S-A) (0.65 mm pitch) | Yes | Yes |
| M16C/62M group | |||||
| M30620FCMFP | 128 KB | 10 KB | 100-pin (100P6S-A) (0.65 mm pitch) | Yes | Yes |
| M30620FCMGP | 128 KB | 10 KB | 100-pin LQFP (100P6Q-A) (0.5 mm pitch) | Yes | Yes |
| M30621FCMGP | 128 KB | 10 KB | 80-pin QFP (80P6S-A) (0.65 mm pitch) | Yes | Yes |
| M30624FGMFP | 256 KB | 20 KB | 100-pin (100P6S-A) (0.65 mm pitch) | Yes | Yes |
| M30624FGMGP | 256 KB | 20 KB | 100-pin LQFP (100P6Q-A) (0.5 mm pitch) | Yes | Yes |
| M30625FGMGP | 256 KB | 20 KB | 80-pin QFP (80P6S-A) (0.65 mm pitch) | Yes | Yes |
| M16C/62N group | |||||
| M30620FCNFP | 128 KB | 10 KB | 100-pin (100P6S-A) (0.65 mm pitch) | Yes | Yes |
| M30620FCNGP | 128 KB | 10 KB | 100-pin LQFP (100P6Q-A) (0.5 mm pitch) | Yes | Yes |
| M30621FCNGP | 128 KB | 10 KB | 80-pin QFP (80P6S-A) (0.65 mm pitch) | Yes | Yes |
| M30624FGNFP | 256 KB | 20 KB | 100-pin (100P6S-A) (0.65 mm pitch) | Yes | Yes |
| M30624FGNGP | 256 KB | 20 KB | 100-pin LQFP (100P6Q-A) (0.5 mm pitch) | Yes | Yes |
| M30625FGNGP | 256 KB | 20 KB | 80-pin QFP (80P6S-A) (0.65 mm pitch) | Yes | Yes |
| M3062GF8NFP | 64 KB | 8 KB | 100-pin (100P6S-A) (0.65 mm pitch) | Yes | Yes |
| M3062GF8NGP | 64 KB | 8 KB | 100-pin LQFP (100P6Q-A) (0.5 mm pitch) | Yes | Yes |
| M3062MF8NGP | 64 KB | 8 KB | 100-pin LQFP (100P6Q-A) (0.5 mm pitch) | Yes | Yes |
| M16C/62P group | |||||
| M30620FCPFP | 128 KB | 10 KB | 100-pin (100P6S-A) (0.65 mm pitch) | Yes | Yes |
| M30620FCPGP | 128 KB | 10 KB | 100-pin LQFP (100P6Q-A) (0.5mm pitch) | Yes | Yes |
| M30622F8PFP | 64 KB | 4 KB | 100-pin QFP (100P6S-A) (0.65mm pitch) | Yes | Yes |
| M30622F8PGP | 64 KB | 4 KB | 100-pin LQFP (100P6Q-A) (0.5mm pitch) | Yes | Yes |
| M30624FGPFP | 256 KB | 20 KB | 100-pin (100P6S-A) (0.65 mm pitch) | Yes | Yes |
| M30624FGPGP | 256 KB | 20 KB | 100-pin LQFP (100P6Q-A) (0.5 mm pitch) | Yes | Yes |
| M30626FHPFP | 384 KB | 31 KB | 100-pin (100P6S-A) (0.65 mm pitch) | Yes | Yes |
| M30626FHPGP | 384 KB | 31 KB | 100-pin LQFP (100P6Q-A) (0.5 mm pitch) | Yes | Yes |
| M30626FJPFP | 512 KB | 31 KB | 100-pin (100P6S-A) (0.65 mm pitch) | Yes | Yes |
| M30626FJPGP | 512 KB | 31 KB | 100-pin LQFP (100P6Q-A) (0.5 mm pitch) | Yes | Yes |
| M30627FHPGP | 384 KB | 31 KB | 128-pin LQFP (128P6Q-A) (0.5 mm pitch) | Yes | Yes |
| M30627FJPGP | 512 KB | 31 KB | 128-pin LQFP (128P6Q-A) (0.5 mm pitch) | Yes | Yes |
| M3062LFGPFP | 256 KB | 20 KB | 100-pin (100P6S-A) (0.65 mm pitch) | Yes | Yes |
| M3062LFGPGP | 256 KB | 20 KB | 100-pin LQFP (100P6Q-A) (0.5 mm pitch) | Yes | Yes |
| M16C/63 group | |||||
| R5F36306DFA | 128 KB | 12 KB | 100-pin (PLQP0100KB-A) (0.5 mm pitch) | Yes | Yes |
| R5F36306DFB | 128 KB | 12 KB | 100-pin (PRQP0100JD-B) (0.65 mm pitch) | Yes | Yes |
| R5F36306NFA | 128 KB | 12 KB | 100-pin (PLQP0100KB-A) (0.5 mm pitch) | Yes | Yes |
| R5F36306NFB | 128 KB | 12 KB | 100-pin (PRQP0100JD-B) (0.65 mm pitch) | Yes | Yes |
| R5F3630EDFA | 256 KB | 20 KB | 100-pin (PLQP0100KB-A) (0.5 mm pitch) | Yes | Yes |
| R5F3630EDFB | 256 KB | 20 KB | 100-pin (PRQP0100JD-B) (0.65 mm pitch) | Yes | Yes |
| R5F3630ENFA | 256 KB | 20 KB | 100-pin (PLQP0100KB-A) (0.5 mm pitch) | Yes | Yes |
| R5F3630ENFB | 256 KB | 20 KB | 100-pin (PRQP0100JD-B) (0.65 mm pitch) | Yes | Yes |
| R5F36326DFE | 128 KB | 12 KB | 80-pin (PLQP0080KB-A) (0.5 mm pitch) | Yes | Yes |
| R5F36326NFE | 128 KB | 12 KB | 80-pin (PLQP0080KB-A) (0.5 mm pitch) | Yes | Yes |
| R5F3632EDFE | 256 KB | 20 KB | 80-pin (PLQP0080KB-A) (0.5 mm pitch) | Yes | Yes |
| R5F3632ENFE | 256 KB | 20 KB | 80-pin (PLQP0080KB-A) (0.5 mm pitch) | Yes | Yes |
| R5F363A6DFA | 128 KB | 12 KB | 100-pin (PRQP0100JD-B) (0.65 mm pitch) | Yes | Yes |
| R5F363A6DFB | 128 KB | 12 KB | 100-pin (PLQP0100KB-A) (0.5 mm pitch) | Yes | Yes |
| R5F363A6NFA | 128 KB | 12 KB | 100-pin (PRQP0100JD-B) (0.65 mm pitch) | Yes | Yes |
| R5F363A6NFB | 128 KB | 12 KB | 100-pin (PLQP0100KB-A) (0.5 mm pitch) | Yes | Yes |
| R5F363A6NLG | 128 KB | 12 KB | 100-pin (PTLG0100KA-A) (0.5 mm BGA) | Yes | Yes |
| R5F363AEDFA | 256 KB | 20 KB | 100-pin (PRQP0100JD-B) (0.65 mm pitch) | Yes | Yes |
| R5F363AEDFB | 256 KB | 20 KB | 100-pin (PLQP0100KB-A) (0.5 mm pitch) | Yes | Yes |
| R5F363AENFA | 256 KB | 20 KB | 100-pin (PRQP0100JD-B) (0.65 mm pitch) | Yes | Yes |
| R5F363AENFB | 256 KB | 20 KB | 100-pin (PLQP0100KB-A) (0.5 mm pitch) | Yes | Yes |
| R5F363AENLG | 256 KB | 20 KB | 100-pin (PTLG0100KA-A) (0.5 mm BGA) | Yes | Yes |
| R5F363AKDFA | 384 KB | 31 KB | 100-pin (PRQP0100JD-B) (0.65 mm pitch) | Yes | Yes |
| R5F363AKDFB | 384 KB | 31 KB | 100-pin (PLQP0100KB-A) (0.5 mm pitch) | Yes | Yes |
| R5F363AKNFA | 384 KB | 31 KB | 100-pin (PRQP0100JD-B) (0.65 mm pitch) | Yes | Yes |
| R5F363AKNFB | 384 KB | 31 KB | 100-pin (PLQP0100KB-A) (0.5 mm pitch) | Yes | Yes |
| R5F363AKNLG | 384 KB | 31 KB | 100-pin (PTLG0100KA-A) (0.5 mm BGA) | Yes | Yes |
| R5F363AMDFA | 512 KB | 31 KB | 100-pin (PRQP0100JD-B) (0.65 mm pitch) | Yes | Yes |
| R5F363AMDFB | 512 KB | 31 KB | 100-pin (PLQP0100KB-A) (0.5 mm pitch) | Yes | Yes |
| R5F363AMNFA | 512 KB | 31 KB | 100-pin (PRQP0100JD-B) (0.65 mm pitch) | Yes | Yes |
| R5F363AMNFB | 512 KB | 31 KB | 100-pin (PLQP0100KB-A) (0.5 mm pitch) | Yes | Yes |
| R5F363AMNLG | 512 KB | 31 KB | 100-pin (PTLG0100KA-A) (0.5 mm BGA) | Yes | Yes |
| R5F363B6DFE | 128 KB | 12 KB | 80-pin (PLQP0080KB-A) (0.5 mm pitch) | Yes | Yes |
| R5F363B6NFE | 128 KB | 12 KB | 80-pin (PLQP0080KB-A) (0.5 mm pitch) | Yes | Yes |
| R5F363BEDFE | 256 KB | 20 KB | 80-pin (PLQP0080KB-A) (0.5 mm pitch) | Yes | Yes |
| R5F363BENFE | 256 KB | 20 KB | 80-pin (PLQP0080KB-A) (0.5 mm pitch) | Yes | Yes |
| M16C/64 group | |||||
| R5F36406DFA | 128 KB | 12 KB | 100-pin (PRQP0100JD-B) (0.65 mm pitch) | Yes | Yes |
| R5F36406DFB | 128 KB | 12 KB | 100-pin (PLQP0100KB-A) (0.5 mm pitch) | Yes | Yes |
| R5F36406NFA | 128 KB | 12 KB | 100-pin (PRQP0100JD-B) (0.65 mm pitch) | Yes | Yes |
| R5F36406NFB | 128 KB | 12 KB | 100-pin (PLQP0100KB-A) (0.5 mm pitch) | Yes | Yes |
| R5F3640DDFA | 256 KB | 16 KB | 100-pin (PRQP0100JD-B) (0.65 mm pitch) | Yes | Yes |
| R5F3640DDFB | 256 KB | 16 KB | 100-pin (PLQP0100KB-A) (0.5 mm pitch) | Yes | Yes |
| R5F3640DNFA | 256 KB | 16 KB | 100-pin (PRQP0100JD-B) (0.65 mm pitch) | Yes | Yes |
| R5F3640DNFB | 256 KB | 16 KB | 100-pin (PLQP0100KB-A) (0.5 mm pitch) | Yes | Yes |
| R5F3640MDFA | 512 KB | 31 KB | 100-pin (PRQP0100JD-B) (0.65 mm pitch) | Yes | Yes |
| R5F3640MDFB | 512 KB | 31 KB | 100-pin (PLQP0100KB-A) (0.5 mm pitch) | Yes | Yes |
| R5F3640MNFA | 512 KB | 31 KB | 100-pin (PRQP0100JD-B) (0.65 mm pitch) | Yes | Yes |
| R5F3640MNFB | 512 KB | 31 KB | 100-pin (PLQP0100KB-A) (0.5 mm pitch) | Yes | Yes |
| M16C/64A group | |||||
| R5F364A6DFA | 128 KB | 12 KB | 100-pin (PRQP0100JD-B) (0.65 mm pitch) | Yes | Yes |
| R5F364A6DFB | 128 KB | 12 KB | 100-pin (PLQP0100KB-A) (0.5 mm pitch) | Yes | Yes |
| R5F364A6NFA | 128 KB | 12 KB | 100-pin (PRQP0100JD-B) (0.65 mm pitch) | Yes | Yes |
| R5F364A6NFB | 128 KB | 12 KB | 100-pin (PLQP0100KB-A) (0.5 mm pitch) | Yes | Yes |
| R5F364AEDFA | 256 KB | 20 KB | 100-pin (PRQP0100JD-B) (0.65 mm pitch) | Yes | Yes |
| R5F364AEDFB | 256 KB | 20 KB | 100-pin (PLQP0100KB-A) (0.5 mm pitch) | Yes | Yes |
| R5F364AENFA | 256 KB | 20 KB | 100-pin (PRQP0100JD-B) (0.65 mm pitch) | Yes | Yes |
| R5F364AENFB | 256 KB | 20 KB | 100-pin (PLQP0100KB-A) (0.5 mm pitch) | Yes | Yes |
| R5F364AMDFA | 512 KB | 31 KB | 100-pin (PRQP0100JD-B) (0.65 mm pitch) | Yes | Yes |
| R5F364AMDFB | 512 KB | 31 KB | 100-pin (PLQP0100KB-A) (0.5 mm pitch) | Yes | Yes |
| R5F364AMNFA | 512 KB | 31 KB | 100-pin (PRQP0100JD-B) (0.65 mm pitch) | Yes | Yes |
| R5F364AMNFB | 512 KB | 31 KB | 100-pin (PLQP0100KB-A) (0.5 mm pitch) | Yes | Yes |
| M16C/65 group | |||||
| R5F36506DFA | 128 KB | 12 KB | 100-pin (PRQP0100JD-B) (0.65 mm pitch) | Yes | Yes |
| R5F36506DFB | 128 KB | 12 KB | 100-pin (PLQP0100KB-A) (0.5 mm pitch) | Yes | Yes |
| R5F36506NFA | 128 KB | 12 KB | 100-pin (PRQP0100JD-B) (0.65 mm pitch) | Yes | Yes |
| R5F36506NFB | 128 KB | 12 KB | 100-pin (PLQP0100KB-A) (0.5 mm pitch) | Yes | Yes |
| R5F3650EDFA | 256 KB | 20 KB | 100-pin (PRQP0100JD-B) (0.65 mm pitch) | Yes | Yes |
| R5F3650EDFB | 256 KB | 20 KB | 100-pin (PLQP0100KB-A) (0.5 mm pitch) | Yes | Yes |
| R5F3650ENFA | 256 KB | 20 KB | 100-pin (PRQP0100JD-B) (0.65 mm pitch) | Yes | Yes |
| R5F3650ENFB | 256 KB | 20 KB | 100-pin (PLQP0100KB-A) (0.5 mm pitch) | Yes | Yes |
| R5F3650KDFA | 384 KB | 31 KB | 100-pin (PLQP0100KB-A) (0.5 mm pitch) | Yes | Yes |
| R5F3650KDFB | 384 KB | 31 KB | 100-pin (PRQP0100JD-B) (0.65 mm pitch) | Yes | Yes |
| R5F3650KNFA | 384 KB | 31 KB | 100-pin (PLQP0100KB-A) (0.5 mm pitch) | Yes | Yes |
| R5F3650KNFB | 384 KB | 31 KB | 100-pin (PRQP0100JD-B) (0.65 mm pitch) | Yes | Yes |
| R5F3650MDFA | 512 KB | 31 KB | 100-pin (PRQP0100JD-B) (0.65 mm pitch) | Yes | Yes |
| R5F3650MDFB | 512 KB | 31 KB | 100-pin (PLQP0100KB-A) (0.5 mm pitch) | Yes | Yes |
| R5F3650MNFA | 512 KB | 31 KB | 100-pin (PRQP0100JD-B) (0.65 mm pitch) | Yes | Yes |
| R5F3650MNFB | 512 KB | 31 KB | 100-pin (PLQP0100KB-A) (0.5 mm pitch) | Yes | Yes |
| R5F3650RDFA | 640 KB | 47 KB | 100-pin (PLQP0100KB-A) (0.5 mm pitch) | Yes | Yes |
| R5F3650RDFB | 640 KB | 47 KB | 100-pin (PRQP0100JD-B) (0.65 mm pitch) | Yes | Yes |
| R5F3650RNFA | 640 KB | 47 KB | 100-pin (PLQP0100KB-A) (0.5 mm pitch) | Yes | Yes |
| R5F3650RNFB | 640 KB | 47 KB | 100-pin (PRQP0100JD-B) (0.65 mm pitch) | Yes | Yes |
| R5F3650TDFA | 768 KB | 47 KB | 100-pin (PRQP0100JD-B) (0.65 mm pitch) | Yes | Yes |
| R5F3650TDFB | 768 KB | 47 KB | 100-pin (PLQP0100KB-A) (0.5 mm pitch) | Yes | Yes |
| R5F3650TNFA | 768 KB | 47 KB | 100-pin (PRQP0100JD-B) (0.65 mm pitch) | Yes | Yes |
| R5F3650TNFB | 768 KB | 47 KB | 100-pin (PLQP0100KB-A) (0.5 mm pitch) | Yes | Yes |
| R5F3651EDFC | 256 KB | 20 KB | 128-pin (PLQP0128KB-A) (0.5 mm pitch) | Yes | Yes |
| R5F3651ENFC | 256 KB | 20 KB | 128-pin (PLQP0128KB-A) (0.5 mm pitch) | Yes | Yes |
| R5F3651KDFC | 384 KB | 31 KB | 128-pin (PLQP0128KB-A) (0.5 mm pitch) | Yes | Yes |
| R5F3651KNFC | 384 KB | 31 KB | 128-pin (PLQP0128KB-A) (0.5 mm pitch) | Yes | Yes |
| R5F3651MDFC | 512 KB | 31 KB | 128-pin (PLQP0128KB-A) (0.5 mm pitch) | Yes | Yes |
| R5F3651MNFC | 512 KB | 31 KB | 128-pin (PLQP0128KB-A) (0.5 mm pitch) | Yes | Yes |
| R5F3651RDFC | 640 KB | 47 KB | 128-pin (PLQP0128KB-A) (0.5 mm pitch) | Yes | Yes |
| R5F3651RNFC | 640 KB | 47 KB | 128-pin (PLQP0128KB-A) (0.5 mm pitch) | Yes | Yes |
| R5F3651TDFC | 768 KB | 47 KB | 128-pin (PLQP0128KB-A) (0.5 mm pitch) | Yes | Yes |
| R5F3651TNFC | 768 KB | 47 KB | 128-pin (PLQP0128KB-A) (0.5 mm pitch) | Yes | Yes |
| R5F36526DFP | 128 KB | 12 KB | 80-pin (PLQP0080JA-A) (0.5 mm pitch) | Yes | Yes |
| R5F36526NFP | 128 KB | 12 KB | 80-pin (PLQP0080JA-A) (0.5 mm pitch) | Yes | Yes |
| M16C/6C group | |||||
| R5F36CA6DFA | 128 KB | 12 KB | 100-pin (PRQP0100JD-B) (0.65 mm pitch) | Yes | Yes |
| R5F36CA6DFB | 128 KB | 12 KB | 100-pin (PLQP0100KB-A) (0.5 mm pitch) | Yes | Yes |
| R5F36CA6NFA | 128 KB | 12 KB | 100-pin (PRQP0100JD-B) (0.65 mm pitch) | Yes | Yes |
| R5F36CA6NFB | 128 KB | 12 KB | 100-pin (PLQP0100KB-A) (0.5 mm pitch) | Yes | Yes |
| R5F36CAEDFA | 256 KB | 20 KB | 100-pin (PRQP0100JD-B) (0.65 mm pitch) | Yes | Yes |
| R5F36CAEDFB | 256 KB | 20 KB | 100-pin (PLQP0100KB-A) (0.5 mm pitch) | Yes | Yes |
| R5F36CAENFA | 256 KB | 20 KB | 100-pin (PRQP0100JD-B) (0.65 mm pitch) | Yes | Yes |
| R5F36CAENFB | 256 KB | 20 KB | 100-pin (PLQP0100KB-A) (0.5 mm pitch) | Yes | Yes |
| R5F36CAKDFA | 384 KB | 31 KB | 100-pin (PRQP0100JD-B) (0.65 mm pitch) | Yes | Yes |
| R5F36CAKDFB | 384 KB | 31 KB | 100-pin (PLQP0100KB-A) (0.5 mm pitch) | Yes | Yes |
| R5F36CAKNFA | 384 KB | 31 KB | 100-pin (PRQP0100JD-B) (0.65 mm pitch) | Yes | Yes |
| R5F36CAKNFB | 384 KB | 31 KB | 100-pin (PLQP0100KB-A) (0.5 mm pitch) | Yes | Yes |
| R5F36CAMDFA | 512 KB | 31 KB | 100-pin (PRQP0100JD-B) (0.65 mm pitch) | Yes | Yes |
| R5F36CAMDFB | 512 KB | 31 KB | 100-pin (PLQP0100KB-A) (0.5 mm pitch) | Yes | Yes |
| R5F36CAMNFA | 512 KB | 31 KB | 100-pin (PRQP0100JD-B) (0.65 mm pitch) | Yes | Yes |
| R5F36CAMNFB | 512 KB | 31 KB | 100-pin (PLQP0100KB-A) (0.5 mm pitch) | Yes | Yes |
| M16C/6N group | |||||
| M306N0FCFP | 128 KB | 5 KB | 100-pin (100P6S-A) (0.65 mm pitch) | Yes | Yes |
| M306N0FGFP | 256 KB | 10 KB | 100-pin (100P6S-A) (0.65 mm pitch) | Yes | Yes |
| M306N1FCFP | 128 KB | 5 KB | 100-pin (100P6S-A) (0.65 mm pitch) | Yes | Yes |
| M16C/6N4 group | |||||
| M306N4FCTFP | 128 KB | 5 KB | 100-pin (100P6S-A) (0.65 mm pitch) | Yes | Yes |
| M306N4FCVFP | 128 KB | 5 KB | 100-pin (100P6S-A) (0.65 mm pitch) | Yes | Yes |
| M306N4FGTFP | 256 KB | 10 KB | 100-pin (100P6S-A) (0.65 mm pitch) | Yes | Yes |
| M306N4FGVFP | 256 KB | 10 KB | 100-pin (100P6S-A) (0.65 mm pitch) | Yes | Yes |
| M16C/6N5 group | |||||
| M306N5FCFP | 128 KB | 5 KB | 100-pin (100P6S-A) (0.65 mm pitch) | Yes | Yes |
| M306N5FCGP | 128 KB | 5 KB | 100-pin (100P6Q-A) (0.5 mm pitch) | Yes | Yes |
| M306N5FCTFP | 8 KB | 5 KB | 100-pin (100P6S-A) (0.65 mm pitch) | Yes | Yes |
| M306N5FCTGP | 128 KB | 5 KB | 100-pin (100P6Q-A) (0.5 mm pitch) | Yes | Yes |
| M306N5FCVFP | 8 KB | 5 KB | 100-pin (100P6S-A) (0.65 mm pitch) | Yes | Yes |
| M306N5FCVGP | 128 KB | 5 KB | 100-pin (100P6Q-A) (0.5 mm pitch) | Yes | Yes |
| M16C/6NA group | |||||
| M306NAFGTFP | 256 KB | 10 KB | 100-pin (100P6S-A) (0.65 mm pitch) | Yes | Yes |
| M306NAFGVFP | 256 KB | 10 KB | 100-pin (100P6S-A) (0.65 mm pitch) | Yes | Yes |
| M16C/6NB group | |||||
| M306NBFCTFP | 128 KB | 5 KB | 100-pin (100P6S-A) (0.65 mm pitch) | Yes | Yes |
| M306NBFCVFP | 128 KB | 5 KB | 100-pin (100P6S-A) (0.65 mm pitch) | Yes | Yes |
| M16C/6NK group | |||||
| M306NKFHGP | 384 KB | 31 KB | 100-pin (100P6Q-A) (0.5 mm pitch) | Yes | Yes |
| M306NKFJTGP | 512 KB | 31 KB | 100-pin (100P6Q-A) (0.5 mm pitch) | Yes | Yes |
| M16C/6NL group | |||||
| M306NLFHGP | 384 KB | 31 KB | 100-pin (100P6Q-A) (0.5 mm pitch) | Yes | Yes |
| M306NLFJGP | 512 KB | 31 KB | 100-pin (100P6Q-A) (0.5 mm pitch) | Yes | Yes |
| M16C/6S group | |||||
| M306S0AGP | 96 KB | 24 KB | 100-pin (100P6S-A) (0.65 mm pitch) | Yes | Yes |
| M16C/6V group | |||||
| M306V7FGFP | 256 KB | 10 KB | 100-pin (100P6S-A) | Yes | Yes |
| M16C/80 group | |||||
| M30800FCFP | 128 KB | 10 KB | 100-pin (100P6S-A) (0.65 mm pitch) | Yes | Yes |
| M30800FCGP | 128 KB | 10 KB | 100-pin LQFP (100P6Q-A) (0.5 mm pitch) | Yes | Yes |
| M30802FCGP | 128 KB | 10 KB | 144-pin LQFP (144P6Q) (0.5 mm pitch) | Yes | Yes |
| M30803FGFP | 256 KB | 20 KB | 100-pin (100P6S-A) (0.65 mm pitch) | Yes | Yes |
| M30803FGGP | 256 KB | 20 KB | 100-pin LQFP (100P6Q-A) (0.5 mm pitch) | Yes | Yes |
| M30805FGGP | 256 KB | 20 KB | 144-pin LQFP (144P6Q) (0.5 mm pitch) | Yes | Yes |
| M32C/83 group | |||||
| M30833FJFP | 512 KB | 31 KB | 100-pin (100P6S-A) (0.65 mm pitch) | Yes | Yes |
| M30833FJGP | 512 KB | 31 KB | 100-pin (100P6Q-A) (0.5 mm pitch) | Yes | Yes |
| M30835FJGP | 512 KB | 31 KB | 144-pin (144P6Q-A) (0.5 mm pitch) | Yes | Yes |
| M32C/84 group | |||||
| M30843FHFP | 384 KB | 24 KB | 100-pin (100P6S-A) (0.65 mm pitch) | Yes | Yes |
| M30843FHGP | 384 KB | 24 KB | 100-pin (100P6Q-A) (0.5 mm pitch) | Yes | Yes |
| M30843FHTGP | 384 KB | 24 KB | 100-pin (100P6Q-A) (0.5 mm pitch) | Yes | Yes |
| M30843FJFP | 512 KB | 24 KB | 100-pin (100P6S-A) (0.65 mm pitch) | Yes | Yes |
| M30843FJGP | 512 KB | 24 KB | 100-pin (100P6Q-A) (0.5 mm pitch) | Yes | Yes |
| M30843FJTGP | 512 KB | 24 KB | 100-pin (100P6Q-A) (0.5 mm pitch) | Yes | Yes |
| M30843FWFP | 320 KB | 24 KB | 100-pin (100P6S-A) (0.65 mm pitch) | Yes | Yes |
| M30843FWGP | 320 KB | 24 KB | 100-pin (100P6Q-A) (0.5 mm pitch) | Yes | Yes |
| M30843FWTGP | 320 KB | 24 KB | 100-pin (100P6Q-A) (0.5 mm pitch) | Yes | Yes |
| M30845FHGP | 384 KB | 24 KB | 144-pin (144P6Q-A) (0.5 mm pitch) | Yes | Yes |
| M30845FHTGP | 384 KB | 24 KB | 144-pin (144P6Q-A) (0.5 mm pitch) | Yes | Yes |
| M30845FJGP | 512 KB | 24 KB | 144-pin (144P6Q-A) (0.5 mm pitch) | Yes | Yes |
| M30845FJTGP | 512 KB | 24 KB | 144-pin (144P6Q-A) (0.5 mm pitch) | Yes | Yes |
| M30845FWGP | 320 KB | 24 KB | 144-pin (144P6Q-A) (0.5 mm pitch) | Yes | Yes |
| M30845FWTGP | 4 KB | 24 KB | 100-pin/144-pin | Yes | Yes |
| M30845FWTGP | 320 KB | 24 KB | 144-pin (144P6Q-A) (0.5 mm pitch) | Yes | Yes |
| M32C/85 group | |||||
| M30853FHFP | 384 KB | 24 KB | 100-pin (100P6S-A) (0.65 mm pitch) | Yes | Yes |
| M30853FHGP | 384 KB | 24 KB | 100-pin (100P6Q-A) (0.5 mm pitch) | Yes | Yes |
| M30853FHTGP | 384 KB | 24 KB | 100-pin (100P6Q-A) (0.5 mm pitch) | Yes | Yes |
| M30853FJFP | 512 KB | 24 KB | 100-pin (100P6S-A) (0.65 mm pitch) | Yes | Yes |
| M30853FJGP | 512 KB | 24 KB | 100-pin (100P6Q-A) (0.5 mm pitch) | Yes | Yes |
| M30853FJTGP | 512 KB | 24 KB | 100-pin (100P6Q-A) (0.5 mm pitch) | Yes | Yes |
| M30853FWFP | 320 KB | 24 KB | 100-pin (100P6S-A) (0.65 mm pitch) | Yes | Yes |
| M30853FWGP | 320 KB | 24 KB | 100-pin (100P6Q-A) (0.5 mm pitch) | Yes | Yes |
| M30853FWTGP | 320 KB | 24 KB | 100-pin (100P6Q-A) (0.5 mm pitch) | Yes | Yes |
| M30855FHGP | 384 KB | 24 KB | 144-pin (144P6Q-A) (0.5 mm pitch) | Yes | Yes |
| M30855FHTGP | 384 KB | 24 KB | 144-pin (144P6Q-A) (0.5 mm pitch) | Yes | Yes |
| M30855FJGP | 512 KB | 24 KB | 144-pin (144P6Q-A) (0.5 mm pitch) | Yes | Yes |
| M30855FJTGP | 512 KB | 24 KB | 144-pin (144P6Q-A) (0.5 mm pitch) | Yes | Yes |
| M30855FWGP | 320 KB | 24 KB | 144-pin (144P6Q-A) (0.5 mm pitch) | Yes | Yes |
| M30855FWTGP | 4 KB | 24 KB | 100-pin/144-pin | Yes | Yes |
| M30855FWTGP | 320 KB | 24 KB | 144-pin (144P6Q-A) (0.5 mm pitch) | Yes | Yes |
| M32C/86 group | |||||
| M30863FJGP | 512 KB | 24 KB | 100-pin (100P6Q-A) (0.5 mm pitch) | Yes | Yes |
| M30865FJGP | 512 KB | 24 KB | 144-pin (144P6Q-A) (0.5 mm pitch) | Yes | Yes |
| M30865FJTGP | 4 KB | 24 KB | 100-pin/144-pin | Yes | Yes |
| M30865FJTGP | 512 KB | 24 KB | 144-pin (144P6Q-A) (0.5 mm pitch) | Yes | Yes |
| M32C/87 group | |||||
| M30873FHGP | 384 KB | 24 KB | 100-pin (100P6Q-A) (0.5 mm pitch) | Yes | Yes |
| M30875FHGP | 384 KB | 24 KB | 144-pin (144P6Q-A) (0.5 mm pitch) | Yes | Yes |
| M30876FJGP | 512 KB | 31 KB | 100-pin (100P6Q-A) (0.5 mm pitch) | Yes | Yes |
| M30878FJGP | 512 KB | 31 KB | 144-pin (144P6Q-A) (0.5 mm pitch) | Yes | Yes |
| M30879FKGP | 768 KB | 48 KB | 100-pin (100P6Q-A) (0.5 mm pitch) | Yes | Yes |
| M30879FLFP | 1024 KB | 48 KB | 100-pin (100P6S-A) (0.65 mm pitch) | Yes | Yes |
| M30879FLGP | 1024 KB | 48 KB | 100-pin (100P6Q-A) (0.5 mm pitch) | Yes | Yes |
| M3087BFKGP | 768 KB | 48 KB | 144-pin (144P6Q-A) (0.5 mm pitch) | Yes | Yes |
| M3087BFLGP | 4 KB | 24 KB | 100-pin/144-pin | Yes | Yes |
| M3087BFLGP | 1024 KB | 48 KB | 144-pin (144P6Q-A) (0.5 mm pitch) | Yes | Yes |
| M32C/88 group | |||||
| M30880FHTGP | 384 KB | 18 KB | 100-pin (100P6Q-A) (0.5 mm pitch) | Yes | Yes |
| M30880FJTGP | 512 KB | 18 KB | 100-pin (100P6Q-A) (0.5 mm pitch) | Yes | Yes |
| M30880FWTGP | 320 KB | 18 KB | 100-pin (100P6Q-A) (0.5 mm pitch) | Yes | Yes |
| M30882FHTGP | 384 KB | 18 KB | 144-pin (144P6Q-A) (0.5 mm pitch) | Yes | Yes |
| M30882FJTGP | 512 KB | 18 KB | 144-pin (144P6Q-A) (0.5 mm pitch) | Yes | Yes |
| M30882FWTGP | 4 KB | 18 KB | 100-pin/144-pin | Yes | Yes |
| M30882FWTGP | 320 KB | 18 KB | 144-pin (144P6Q-A) (0.5 mm pitch) | Yes | Yes |
| M32C/95 group | |||||
| M30953FJTGP | 512 KB | 32 KB | 100-pin (100P6Q-A) (0.5 mm pitch) | Yes | Yes |
| M30955FJTGP | 512 KB | 32 KB | 144-pin (144P6Q-A) (0.5 mm pitch) | Yes | Yes |
| M3095xFJTGP | 8 KB | 32 KB | 100-pin/144-pin | Yes | Yes |
| M37542 group | |||||
| M37542F8FP | 32 KB | 1 KB | 42-pin FP (42P2R-A) | Yes | -- |
| M3803 group | |||||
| M38039FFFP | 60 KB | 2 KB | 64-pin QFP (64P6N-A) (0.8 mm pitch) | Yes | -- |
| M38039FFHP | 60 KB | 2 KB | 64-pin LQFP (64P6Q-A) (0.5 mm pitch) | Yes | -- |
| M38039FFSP | 60 KB | 2 KB | 64-pin SDIP (64P4B) | Yes | -- |
| M3803H group | |||||
| M38039FFHFP | 60 KB | 2 KB | 64-pin QFP (64P6N) (0.8mm pitch) | Yes | -- |
| M38039FFHHP | 60 KB | 2 KB | 64-pin QFP (64P6Q) (0.5mm pitch) | Yes | -- |
| M38039FFHKP | 60 KB | 2 KB | 64-pin QFP (64P6U-A) (0.8mm pitch) | Yes | -- |
| M38039FFHSP | 60 KB | 2 KB | 64-pin SDIP (64P4B) | Yes | -- |
| M3803L group | |||||
| M38039FFLHP | 60 KB | 2 KB | 64-pin QFP (64P6Q) (0.5mm pitch) | Yes | -- |
| M38039FFLKP | 60 KB | 2 KB | 64-pin QFP (64P6U-A) (0.8mm pitch) | Yes | -- |
| M38039FFLSP | 60 KB | 2 KB | 64-pin SDIP (64P4B) | Yes | -- |
| M38039FFLWG | 60 KB | 2 KB | 64-pin BGA (64F0G) (0.65mm pitch) | Yes | -- |
| M3804 group | |||||
| M38049FFFP | 60 KB | 2 KB | 64-pin QFP (64P6N-A) (0.8 mm pitch) | Yes | -- |
| M38049FFHP | 60 KB | 2 KB | 64-pin LQFP (64P6Q-A) (0.5 mm pitch) | Yes | -- |
| M38049FFSP | 60 KB | 2 KB | 64-pin SDIP (64P4B) | Yes | -- |
| M3804H group | |||||
| M38049FFHFP | 60 KB | 2 KB | 64-pin QFP (64P6N) (0.8mm pitch) | Yes | -- |
| M38049FFHSP | 60 KB | 2 KB | 64-pin SDIP (64P4B) | Yes | -- |
| M38507 group | |||||
| M38507F8FP | 32 KB | 1 KB | 42-pin FP (42P2R-A) | Yes | -- |
| M3886 group | |||||
| M38869FFAHP | 60 KB | 2 KB | 80-pin QFP (80P6Q-A) (0.5 mm pitch) | Yes | -- |
| M38C2 group | |||||
| M38C29FFFP | 60 KB | 2 KB | 64-pin QFP (64P6U-A) (0.8mm pitch) | Yes | -- |
| M38C29FFHP | 60 KB | 2 KB | 64-pin QFP (64P6Q-A) (0.5mm pitch) | Yes | -- |
| M38D2 group | |||||
| M38D29FFFP | 60 KB | 2 KB | 64-pin QFP (64P6U-A) (0.8mm pitch) | Yes | -- |
| M38D29FFHP | 60 KB | 2 KB | 64-pin QFP (64P6Q-A) (0.5mm pitch) | Yes | -- |
| M38K2 group | |||||
| M38K29F8FP | 32 KB | 2 KB | 64-pin (64P6U-A) (0.8 mm pitch) | Yes | -- |
| M38K29F8HP | 32 KB | 2 KB | 64-pin (64P6Q-A) (0.5 mm pitch) | Yes | -- |
| M7900 group | |||||
| M37906F8CFP | 60 KB | 3 KB | SSOP42, 450mil, (0.8mm pitch) | Yes | Yes |
| M37906F8CSP | 60 KB | 3 KB | SDIP42, 600mil, (1.778mm pitch) | Yes | Yes |
| R32C/111 group | |||||
| R5F64110xFB | 256 KB | 63 KB | 100-pin LQFP 14x14 (PLQP0100KB-A) (0.5mm pitch) | Yes | Yes |
| R5F64111xFB | 384 KB | 63 KB | 100-pin LQFP 14x14 (PLQP0100KB-A) (0.5mm pitch) | Yes | Yes |
| R5F64112xFB | 512 KB | 63 KB | 100-pin LQFP 14x14 (PLQP0100KB-A) (0.5mm pitch) | Yes | Yes |
| R5F64114xFB | 256 KB | 40 KB | 100-pin LQFP 14x14 (PLQP0100KB-A) (0.5mm pitch) | Yes | Yes |
| R5F64115xFB | 384 KB | 40 KB | 100-pin LQFP 14x14 (PLQP0100KB-A) (0.5mm pitch) | Yes | Yes |
| R5F64116xFB | 512 KB | 40 KB | 100-pin LQFP 14x14 (PLQP0100KB-A) (0.5mm pitch) | Yes | Yes |
| R32C/116 group | |||||
| R5F64165xFB | 384 KB | 40 KB | 100-pin LQFP 14x14 (PLQP0100KB-A) (0.5mm pitch) | Yes | Yes |
| R5F64165xFD | 384 KB | 40 KB | 144-pin LQFP 20x20 (PLQP0144KA-A) (0.5mm pitch) | Yes | Yes |
| R5F64166xFB | 512 KB | 40 KB | 100-pin LQFP 14x14 (PLQP0100KB-A) (0.5mm pitch) | Yes | Yes |
| R5F64166xFD | 512 KB | 40 KB | 144-pin LQFP 20x20 (PLQP0144KA-A) (0.5mm pitch) | Yes | Yes |
| R5F64167xFB | 640 KB | 48 KB | 100-pin LQFP 14x14 (PLQP0100KB-A) (0.5mm pitch) | Yes | Yes |
| R5F64167xFD | 640 KB | 48 KB | 144-pin LQFP 20x20 (PLQP0144KA-A) (0.5mm pitch) | Yes | Yes |
| R5F64168xFB | 768 KB | 48 KB | 100-pin LQFP 14x14 (PLQP0100KB-A) (0.5mm pitch) | Yes | Yes |
| R5F64168xFD | 768 KB | 48 KB | 144-pin LQFP 20x20 (PLQP0144KA-A) (0.5mm pitch) | Yes | Yes |
| R5F64169xFB | 1024 KB | 63 KB | 100-pin LQFP 14x14 (PLQP0100KB-A) (0.5mm pitch) | Yes | Yes |
| R5F64169xFD | 1024 KB | 63 KB | 144-pin LQFP 20x20 (PLQP0144KA-A) (0.5mm pitch) | Yes | Yes |
| R32C/117 group | |||||
| R5F64175xFB | 384 KB | 40 KB | 100-pin LQFP 14x14 (PLQP0100KB-A) (0.5mm pitch) | Yes | Yes |
| R5F64175xFD | 384 KB | 40 KB | 144-pin LQFP 20x20 (PLQP0144KA-A) (0.5mm pitch) | Yes | Yes |
| R5F64176xFB | 512 KB | 40 KB | 100-pin LQFP 14x14 (PLQP0100KB-A) (0.5mm pitch) | Yes | Yes |
| R5F64176xFD | 512 KB | 40 KB | 144-pin LQFP 20x20 (PLQP0144KA-A) (0.5mm pitch) | Yes | Yes |
| R5F64177xFB | 640 KB | 48 KB | 100-pin LQFP 14x14 (PLQP0100KB-A) (0.5mm pitch) | Yes | Yes |
| R5F64177xFD | 640 KB | 48 KB | 144-pin LQFP 20x20 (PLQP0144KA-A) (0.5mm pitch) | Yes | Yes |
| R5F64178xFB | 768 KB | 48 KB | 100-pin LQFP 14x14 (PLQP0100KB-A) (0.5mm pitch) | Yes | Yes |
| R5F64178xFD | 768 KB | 48 KB | 144-pin LQFP 20x20 (PLQP0144KA-A) (0.5mm pitch) | Yes | Yes |
| R5F64179xFB | 1024 KB | 63 KB | 100-pin LQFP 14x14 (PLQP0100KB-A) (0.5mm pitch) | Yes | Yes |
| R5F64179xFD | 1024 KB | 63 KB | 144-pin LQFP 20x20 (PLQP0144KA-A) (0.5mm pitch) | Yes | Yes |
| R32C/118 group | |||||
| R5F64185xFB | 384 KB | 48 KB | 100-pin LQFP 14x14 (PLQP0100KB-A) (0.5mm pitch) | Yes | Yes |
| R5F64185xFD | 384 KB | 48 KB | 144-pin LQFP 20x20 (PLQP0144KA-A) (0.5mm pitch) | Yes | Yes |
| R5F64186xFB | 512 KB | 48 KB | 100-pin LQFP 14x14 (PLQP0100KB-A) (0.5mm pitch) | Yes | Yes |
| R5F64186xFD | 512 KB | 48 KB | 144-pin LQFP 20x20 (PLQP0144KA-A) (0.5mm pitch) | Yes | Yes |
| R5F64187xFB | 640 KB | 48 KB | 100-pin LQFP 14x14 (PLQP0100KB-A) (0.5mm pitch) | Yes | Yes |
| R5F64187xFD | 640 KB | 48 KB | 144-pin LQFP 20x20 (PLQP0144KA-A) (0.5mm pitch) | Yes | Yes |
| R5F64188xFB | 768 KB | 48 KB | 100-pin LQFP 14x14 (PLQP0100KB-A) (0.5mm pitch) | Yes | Yes |
| R5F64188xFD | 768 KB | 48 KB | 144-pin LQFP 20x20 (PLQP0144KA-A) (0.5mm pitch) | Yes | Yes |
| R5F64189xFB | 1024 KB | 63 KB | 100-pin LQFP 14x14 (PLQP0100KB-A) (0.5mm pitch) | Yes | Yes |
| R5F64189xFD | 1024 KB | 63 KB | 144-pin LQFP 20x20 (PLQP0144KA-A) (0.5mm pitch) | Yes | Yes |
| R32C/120 group | |||||
| R5F64200xFB | 128 KB | 12 KB | 100-pin LQFP 14x14 (PLQP0100KB-A) (0.5mm pitch) | Yes | Yes |
| R5F64201xFB | 256 KB | 20 KB | 100-pin LQFP 14x14 (PLQP0100KB-A) (0.5mm pitch) | Yes | Yes |
| R5F6420ExFB | 128 KB | 12 KB | 100-pin LQFP 14x14 (PLQP0100KB-A) (0.5mm pitch) | Yes | Yes |
| R5F6420FxFB | 256 KB | 20 KB | 100-pin LQFP 14x14 (PLQP0100KB-A) (0.5mm pitch) | Yes | Yes |
| R32C/121 group | |||||
| R5F64210xFB | 128 KB | 12 KB | 100-pin LQFP 14x14 (PLQP0100KB-A) (0.5mm pitch) | Yes | Yes |
| R5F64211xFB | 256 KB | 20 KB | 100-pin LQFP 14x14 (PLQP0100KB-A) (0.5mm pitch) | Yes | Yes |
| R5F64212xFB | 384 KB | 24 KB | 100-pin LQFP 14x14 (PLQP0100KB-A) (0.5mm pitch) | Yes | Yes |
| R5F64213xFB | 512 KB | 32 KB | 100-pin LQFP 14x14 (PLQP0100KB-A) (0.5mm pitch) | Yes | Yes |
| R5F6421ExFB | 128 KB | 12 KB | 100-pin LQFP 14x14 (PLQP0100KB-A) (0.5mm pitch) | Yes | Yes |
| R5F6421FxFB | 256 KB | 20 KB | 100-pin LQFP 14x14 (PLQP0100KB-A) (0.5mm pitch) | Yes | Yes |
| R5F6421GxFB | 384 KB | 24 KB | 100-pin LQFP 14x14 (PLQP0100KB-A) (0.5mm pitch) | Yes | Yes |
| R5F6421HxFB | 512 KB | 32 KB | 100-pin LQFP 14x14 (PLQP0100KB-A) (0.5mm pitch) | Yes | Yes |
| R32C/133 group | |||||
| R5F64331xFD | 256 KB | 20 KB | 144-pin LQFP 20x20 (PLQP0144KA-A) (0.5mm pitch) | Yes | Yes |
| R5F64332xFD | 384 KB | 24 KB | 144-pin LQFP 20x20 (PLQP0144KA-A) (0.5mm pitch) | Yes | Yes |
| R5F64333xFD | 512 KB | 32 KB | 144-pin LQFP 20x20 (PLQP0144KA-A) (0.5mm pitch) | Yes | Yes |
| R32C/134 group | |||||
| R5F64341xFD | 256 KB | 20 KB | 144-pin LQFP 20x20 (PLQP0144KA-A) (0.5mm pitch) | Yes | Yes |
| R5F64342xFD | 384 KB | 24 KB | 144-pin LQFP 20x20 (PLQP0144KA-A) (0.5mm pitch) | Yes | Yes |
| R5F64343xFD | 512 KB | 32 KB | 144-pin LQFP 20x20 (PLQP0144KA-A) (0.5mm pitch) | Yes | Yes |
| R32C/151 group | |||||
| R5F64514xFB | 768 KB | 48 KB | 144-pin LQFP 20x20 (PLQP0144KA-A) (0.5mm pitch) | Yes | Yes |
| R5F64515xFB | 1024 KB | 48 KB | 144-pin LQFP 20x20 (PLQP0144KA-A) (0.5mm pitch) | Yes | Yes |
| R5F6451MxFB | 768 KB | 48 KB | 144-pin LQFP 20x20 (PLQP0144KA-A) (0.5mm pitch) | Yes | Yes |
| R5F6451NxFB | 1024 KB | 48 KB | 144-pin LQFP 20x20 (PLQP0144KA-A) (0.5mm pitch) | Yes | Yes |
| R32C/152 group | |||||
| R5F64524xFB | 768 KB | 48 KB | 144-pin LQFP 20x20 (PLQP0144KA-A) (0.5mm pitch) | Yes | Yes |
| R5F64525xFB | 1024 KB | 48 KB | 144-pin LQFP 20x20 (PLQP0144KA-A) (0.5mm pitch) | Yes | Yes |
| R5F6452MxFB | 768 KB | 48 KB | 144-pin LQFP 20x20 (PLQP0144KA-A) (0.5mm pitch) | Yes | Yes |
| R5F6452NxFB | 1024 KB | 48 KB | 144-pin LQFP 20x20 (PLQP0144KA-A) (0.5mm pitch) | Yes | Yes |
| R32C/153 group | |||||
| R5F64534xFB | 768 KB | 48 KB | 144-pin LQFP 20x20 (PLQP0144KA-A) (0.5mm pitch) | Yes | Yes |
| R5F64535xFB | 1024 KB | 48 KB | 144-pin LQFP 20x20 (PLQP0144KA-A) (0.5mm pitch) | Yes | Yes |
| R5F6453MxFB | 768 KB | 48 KB | 144-pin LQFP 20x20 (PLQP0144KA-A) (0.5mm pitch) | Yes | Yes |
| R5F6453NxFB | 1024 KB | 48 KB | 144-pin LQFP 20x20 (PLQP0144KA-A) (0.5mm pitch) | Yes | Yes |
| R32C/156 group | |||||
| R5F64561xFB | 256 KB | 20 KB | 144-pin LQFP 20x20 (PLQP0144KA-A) (0.5mm pitch) | Yes | Yes |
| R5F64562xFB | 384 KB | 24 KB | 144-pin LQFP 20x20 (PLQP0144KA-A) (0.5mm pitch) | Yes | Yes |
| R5F64563xFB | 512 KB | 32 KB | 144-pin LQFP 20x20 (PLQP0144KA-A) (0.5mm pitch) | Yes | Yes |
| R5F6456FxFB | 256 KB | 20 KB | 144-pin LQFP 20x20 (PLQP0144KA-A) (0.5mm pitch) | Yes | Yes |
| R5F6456GxFB | 384 KB | 24 KB | 144-pin LQFP 20x20 (PLQP0144KA-A) (0.5mm pitch) | Yes | Yes |
| R5F6456HxFB | 512 KB | 32 KB | 144-pin LQFP 20x20 (PLQP0144KA-A) (0.5mm pitch) | Yes | Yes |
| R32C/157 group | |||||
| R5F64571xFB | 256 KB | 20 KB | 144-pin LQFP 20x20 (PLQP0144KA-A) (0.5mm pitch) | Yes | Yes |
| R5F64572xFB | 384 KB | 24 KB | 144-pin LQFP 20x20 (PLQP0144KA-A) (0.5mm pitch) | Yes | Yes |
| R5F64573xFB | 512 KB | 32 KB | 144-pin LQFP 20x20 (PLQP0144KA-A) (0.5mm pitch) | Yes | Yes |
| R5F6457FxFB | 256 KB | 20 KB | 144-pin LQFP 20x20 (PLQP0144KA-A) (0.5mm pitch) | Yes | Yes |
| R5F6457GxFB | 384 KB | 24 KB | 144-pin LQFP 20x20 (PLQP0144KA-A) (0.5mm pitch) | Yes | Yes |
| R5F6457HxFB | 512 KB | 32 KB | 144-pin LQFP 20x20 (PLQP0144KA-A) (0.5mm pitch) | Yes | Yes |
| R32C/160 group | |||||
| R5F64600xFP | 128 KB | 12 KB | 80-pin LQFP 12x12 (PLQP0080KB-A) (0.5mm pitch) | Yes | Yes |
| R5F64601xFP | 256 KB | 20 KB | 80-pin LQFP 12x12 (PLQP0080KB-A) (0.5mm pitch) | Yes | Yes |
| R5F6460ExFP | 128 KB | 12 KB | 80-pin LQFP 12x12 (PLQP0080KB-A) (0.5mm pitch) | Yes | Yes |
| R5F6460FxFP | 256 KB | 20 KB | 80-pin LQFP 12x12 (PLQP0080KB-A) (0.5mm pitch) | Yes | Yes |
| R32C/161 group | |||||
| R5F64610xFP | 128 KB | 12 KB | 80-pin LQFP 12x12 (PLQP0080KB-A) (0.5mm pitch) | Yes | Yes |
| R5F64611xFP | 256 KB | 20 KB | 80-pin LQFP 12x12 (PLQP0080KB-A) (0.5mm pitch) | Yes | Yes |
| R5F6461ExFP | 128 KB | 12 KB | 80-pin LQFP 12x12 (PLQP0080KB-A) (0.5mm pitch) | Yes | Yes |
| R5F6461FxFP | 256 KB | 20 KB | 80-pin LQFP 12x12 (PLQP0080KB-A) (0.5mm pitch) | Yes | Yes |
| R8C/14 group | |||||
| R5F21142DSP | 8 KB | 512 Bytes | LSSOP 20-pin 0.65 | Yes | Yes |
| R5F21142SP | 8 KB | 512 Bytes | LSSOP 20-pin 0.65 | Yes | Yes |
| R5F21143DSP | 12 KB | 768 Bytes | LSSOP 20-pin 0.65 | Yes | Yes |
| R5F21143SP | 12 KB | 768 Bytes | LSSOP 20-pin 0.65 | Yes | Yes |
| R5F21144DSP | 16 KB | 1 KB | LSSOP 20-pin 0.65 | Yes | Yes |
| R5F21144SP | 16 KB | 1 KB | LSSOP 20-pin 0.65 | Yes | Yes |
| R8C/15 group | |||||
| R5F21152DSP | 10 KB | 512 Bytes | LSSOP 20-pin 0.65 | Yes | Yes |
| R5F21152SP | 10 KB | 512 Bytes | LSSOP 20-pin 0.65 | Yes | Yes |
| R5F21153DSP | 14 KB | 768 Bytes | LSSOP 20-pin 0.65 | Yes | Yes |
| R5F21153SP | 14 KB | 768 Bytes | LSSOP 20-pin 0.65 | Yes | Yes |
| R5F21154DSP | 18 KB | 1 KB | LSSOP 20-pin 0.65 | Yes | Yes |
| R5F21154SP | 18 KB | 1 KB | LSSOP 20-pin 0.65 | Yes | Yes |
| R8C/18 group | |||||
| R5F21181DD | 4 KB | 384 Bytes | SDIP 20-pin 1.78 | Yes | Yes |
| R5F21181DSP | 4 KB | 384 Bytes | LSSOP 20-pin 0.65 | Yes | Yes |
| R5F21181SP | 4 KB | 384 Bytes | LSSOP 20-pin 0.65 | Yes | Yes |
| R5F21182DD | 8 KB | 512 Bytes | SDIP 20-pin 1.78 | Yes | Yes |
| R5F21182DSP | 8 KB | 512 Bytes | LSSOP 20-pin 0.65 | Yes | Yes |
| R5F21182NP | 8 KB | 512 Bytes | P-HWQFN28-5x5-0.50 | Yes | Yes |
| R5F21182SP | 8 KB | 512 Bytes | LSSOP 20-pin 0.65 | Yes | Yes |
| R5F21183DD | 12 KB | 768 Bytes | SDIP 20-pin 1.78 | Yes | Yes |
| R5F21183DSP | 12 KB | 768 Bytes | LSSOP 20-pin 0.65 | Yes | Yes |
| R5F21183NP | 12 KB | 768 Bytes | P-HWQFN28-5x5-0.50 | Yes | Yes |
| R5F21183SP | 12 KB | 768 Bytes | LSSOP 20-pin 0.65 | Yes | Yes |
| R5F21184DD | 16 KB | 1 KB | SDIP 20-pin 1.78 | Yes | Yes |
| R5F21184DSP | 16 KB | 1 KB | LSSOP 20-pin 0.65 | Yes | Yes |
| R5F21184NP | 16 KB | 1 KB | P-HWQFN28-5x5-0.50 | Yes | Yes |
| R5F21184SP | 16 KB | 1 KB | LSSOP 20-pin 0.65 | Yes | Yes |
| R8C/19 group | |||||
| R5F21191DD | 6 KB | 384 Bytes | SDIP 20-pin 1.78 | Yes | Yes |
| R5F21191DSP | 6 KB | 384 Bytes | LSSOP 20-pin 0.65 | Yes | Yes |
| R5F21191SP | 6 KB | 384 Bytes | LSSOP 20-pin 0.65 | Yes | Yes |
| R5F21192DD | 10 KB | 512 Bytes | SDIP 20-pin 1.78 | Yes | Yes |
| R5F21192DSP | 10 KB | 512 Bytes | LSSOP 20-pin 0.65 | Yes | Yes |
| R5F21192NP | 10 KB | 512 Bytes | P-HWQFN28-5x5-0.50 | Yes | Yes |
| R5F21192SP | 10 KB | 512 Bytes | LSSOP 20-pin 0.65 | Yes | Yes |
| R5F21193DD | 14 KB | 768 Bytes | SDIP 20-pin 1.78 | Yes | Yes |
| R5F21193DSP | 14 KB | 768 Bytes | LSSOP 20-pin 0.65 | Yes | Yes |
| R5F21193NP | 14 KB | 768 Bytes | P-HWQFN28-5x5-0.50 | Yes | Yes |
| R5F21193SP | 14 KB | 768 Bytes | LSSOP 20-pin 0.65 | Yes | Yes |
| R5F21194DD | 18 KB | 1 KB | SDIP 20-pin 1.78 | Yes | Yes |
| R5F21194DSP | 18 KB | 1 KB | LSSOP 20-pin 0.65 | Yes | Yes |
| R5F21194NP | 18 KB | 1 KB | P-HWQFN28-5x5-0.50 | Yes | Yes |
| R5F21194SP | 18 KB | 1 KB | LSSOP 20-pin 0.65 | Yes | Yes |
| R8C/1A group | |||||
| R5F211A1DD | 4 KB | 384 Bytes | SDIP 20-pin 1.78 | Yes | Yes |
| R5F211A1DSP | 4 KB | 384 Bytes | LSSOP 20-pin 0.65 | Yes | Yes |
| R5F211A1SP | 4 KB | 384 Bytes | LSSOP 20-pin 0.65 | Yes | Yes |
| R5F211A2DD | 8 KB | 512 Bytes | SDIP 20-pin 1.78 | Yes | Yes |
| R5F211A2DSP | 8 KB | 512 Bytes | LSSOP 20-pin 0.65 | Yes | Yes |
| R5F211A2NP | 8 KB | 512 Bytes | P-HWQFN28-5x5-0.50 | Yes | Yes |
| R5F211A2SP | 8 KB | 512 Bytes | LSSOP 20-pin 0.65 | Yes | Yes |
| R5F211A3DD | 12 KB | 768 Bytes | SDIP 20-pin 1.78 | Yes | Yes |
| R5F211A3DSP | 12 KB | 768 Bytes | LSSOP 20-pin 0.65 | Yes | Yes |
| R5F211A3NP | 12 KB | 768 Bytes | P-HWQFN28-5x5-0.50 | Yes | Yes |
| R5F211A3SP | 12 KB | 768 Bytes | LSSOP 20-pin 0.65 | Yes | Yes |
| R5F211A4DD | 16 KB | 1 KB | SDIP 20-pin 1.78 | Yes | Yes |
| R5F211A4DSP | 16 KB | 1 KB | LSSOP 20-pin 0.65 | Yes | Yes |
| R5F211A4NP | 16 KB | 1 KB | P-HWQFN28-5x5-0.50 | Yes | Yes |
| R5F211A4SP | 16 KB | 1 KB | LSSOP 20-pin 0.65 | Yes | Yes |
| R8C/1B group | |||||
| R5F211B1DD | 6 KB | 384 Bytes | SDIP 20-pin 1.78 | Yes | Yes |
| R5F211B1DSP | 6 KB | 384 Bytes | LSSOP 20-pin 0.65 | Yes | Yes |
| R5F211B1SP | 6 KB | 384 Bytes | LSSOP 20-pin 0.65 | Yes | Yes |
| R5F211B2DD | 10 KB | 512 Bytes | SDIP 20-pin 1.78 | Yes | Yes |
| R5F211B2DSP | 10 KB | 512 Bytes | LSSOP 20-pin 0.65 | Yes | Yes |
| R5F211B2NP | 10 KB | 512 Bytes | P-HWQFN28-5x5-0.50 | Yes | Yes |
| R5F211B2SP | 10 KB | 512 Bytes | LSSOP 20-pin 0.65 | Yes | Yes |
| R5F211B3DD | 14 KB | 768 Bytes | SDIP 20-pin 1.78 | Yes | Yes |
| R5F211B3DSP | 14 KB | 768 Bytes | LSSOP 20-pin 0.65 | Yes | Yes |
| R5F211B3NP | 14 KB | 768 Bytes | P-HWQFN28-5x5-0.50 | Yes | Yes |
| R5F211B3SP | 14 KB | 768 Bytes | LSSOP 20-pin 0.65 | Yes | Yes |
| R5F211B4DD | 18 KB | 1 KB | SDIP 20-pin 1.78 | Yes | Yes |
| R5F211B4DSP | 18 KB | 1 KB | LSSOP 20-pin 0.65 | Yes | Yes |
| R5F211B4NP | 18 KB | 1 KB | P-HWQFN28-5x5-0.50 | Yes | Yes |
| R5F211B4SP | 18 KB | 1 KB | LSSOP 20-pin 0.65 | Yes | Yes |
| R8C/22 group | |||||
| R5F21226JFP | 32 KB | 2 KB | LQPF48 7x7 48-pin 0.50 | Yes | Yes |
| R5F21226KFP | 32 KB | 2 KB | LQPF48 7x7 48-pin 0.50 | Yes | Yes |
| R5F21227JFP | 48 KB | 2560 Bytes | LQPF48 7x7 48-pin 0.50 | Yes | Yes |
| R5F21227KFP | 48 KB | 2560 Bytes | LQPF48 7x7 48-pin 0.50 | Yes | Yes |
| R5F21228JFP | 64 KB | 3 KB | LQPF48 7x7 48-pin 0.50 | Yes | Yes |
| R5F21228KFP | 64 KB | 3 KB | LQPF48 7x7 48-pin 0.50 | Yes | Yes |
| R5F2122AJFP | 96 KB | 5 KB | LQPF48 7x7 48-pin 0.50 | Yes | Yes |
| R5F2122AKFP | 96 KB | 5 KB | LQPF48 7x7 48-pin 0.50 | Yes | Yes |
| R5F2122CJFP | 128 KB | 6 KB | LQPF48 7x7 48-pin 0.50 | Yes | Yes |
| R5F2122CKFP | 128 KB | 6 KB | LQPF48 7x7 48-pin 0.50 | Yes | Yes |
| R8C/23 group | |||||
| R5F21236JFP | 34 KB | 2 KB | LQPF48 7x7 48-pin 0.50 | Yes | Yes |
| R5F21236KFP | 34 KB | 2 KB | LQPF48 7x7 48-pin 0.50 | Yes | Yes |
| R5F21237JFP | 50 KB | 2560 Bytes | LQPF48 7x7 48-pin 0.50 | Yes | Yes |
| R5F21237KFP | 50 KB | 2560 Bytes | LQPF48 7x7 48-pin 0.50 | Yes | Yes |
| R5F21238JFP | 66 KB | 3 KB | LQPF48 7x7 48-pin 0.50 | Yes | Yes |
| R5F21238KFP | 66 KB | 3 KB | LQPF48 7x7 48-pin 0.50 | Yes | Yes |
| R5F2123AJFP | 98 KB | 5 KB | LQPF48 7x7 48-pin 0.50 | Yes | Yes |
| R5F2123AKFP | 98 KB | 5 KB | LQPF48 7x7 48-pin 0.50 | Yes | Yes |
| R5F2123CJFP | 130 KB | 6 KB | LQPF48 7x7 48-pin 0.50 | Yes | Yes |
| R5F2123CKFP | 130 KB | 6 KB | LQPF48 7x7 48-pin 0.50 | Yes | Yes |
| R8C/24 group | |||||
| R5F21244SDFP | 16 KB | 1 KB | LQFP52 10x10 52-pin 0.65 | Yes | Yes |
| R5F21244SNFP | 16 KB | 1 KB | LQFP52 10x10 52-pin 0.65 | Yes | Yes |
| R5F21244SNLG | 16 KB | 1 KB | TFLGA64-6x6 | Yes | Yes |
| R5F21245SDFP | 24 KB | 2 KB | LQFP52 10x10 52-pin 0.65 | Yes | Yes |
| R5F21245SNFP | 24 KB | 2 KB | LQFP52 10x10 52-pin 0.65 | Yes | Yes |
| R5F21246SDFP | 32 KB | 2 KB | LQFP52 10x10 52-pin 0.65 | Yes | Yes |
| R5F21246SNFP | 32 KB | 2 KB | LQFP52 10x10 52-pin 0.65 | Yes | Yes |
| R5F21246SNLG | 32 KB | 2 KB | TFLGA64-6x6 | Yes | Yes |
| R5F21247SDFP | 48 KB | 2560 Bytes | LQFP52 10x10 52-pin 0.65 | Yes | Yes |
| R5F21247SNFP | 48 KB | 2560 Bytes | LQFP52 10x10 52-pin 0.65 | Yes | Yes |
| R5F21248SDFP | 64 KB | 3 KB | LQFP52 10x10 52-pin 0.65 | Yes | Yes |
| R5F21248SNFP | 64 KB | 3 KB | LQFP52 10x10 52-pin 0.65 | Yes | Yes |
| R8C/25 group | |||||
| R5F21254SDFP | 18 KB | 1 KB | LQFP52 10x10 52-pin 0.65 | Yes | Yes |
| R5F21254SNFP | 18 KB | 1 KB | LQFP52 10x10 52-pin 0.65 | Yes | Yes |
| R5F21254SNLG | 18 KB | 1 KB | TFLGA64-6x6 | Yes | Yes |
| R5F21255SDFP | 26 KB | 2 KB | LQFP52 10x10 52-pin 0.65 | Yes | Yes |
| R5F21255SNFP | 26 KB | 2 KB | LQFP52 10x10 52-pin 0.65 | Yes | Yes |
| R5F21256SDFP | 34 KB | 2 KB | LQFP52 10x10 52-pin 0.65 | Yes | Yes |
| R5F21256SNFP | 34 KB | 2 KB | LQFP52 10x10 52-pin 0.65 | Yes | Yes |
| R5F21256SNLG | 34 KB | 2 KB | TFLGA64-6x6 | Yes | Yes |
| R5F21257SDFP | 50 KB | 2560 Bytes | LQFP52 10x10 52-pin 0.65 | Yes | Yes |
| R5F21257SNFP | 50 KB | 2560 Bytes | LQFP52 10x10 52-pin 0.65 | Yes | Yes |
| R5F21258SDFP | 66 KB | 3 KB | LQFP52 10x10 52-pin 0.65 | Yes | Yes |
| R5F21258SNFP | 66 KB | 3 KB | LQFP52 10x10 52-pin 0.65 | Yes | Yes |
| R8C/26 group | |||||
| R5F21262SDFP | 8 KB | 512 Bytes | PLQ32 7x7 32-pin 0.8mm | Yes | Yes |
| R5F21262SNFP | 8 KB | 512 Bytes | PLQ32 7x7 32-pin 0.8mm | Yes | Yes |
| R5F21264SDFP | 16 KB | 1 KB | PLQ32 7x7 32-pin 0.8mm | Yes | Yes |
| R5F21264SNFP | 16 KB | 1 KB | PLQ32 7x7 32-pin 0.8mm | Yes | Yes |
| R5F21265SDFP | 24 KB | 1536 Bytes | PLQ32 7x7 32-pin 0.8mm | Yes | Yes |
| R5F21265SNFP | 24 KB | 1536 Bytes | PLQ32 7x7 32-pin 0.8mm | Yes | Yes |
| R5F21266SDFP | 32 KB | 1536 Bytes | PLQ32 7x7 32-pin 0.8mm | Yes | Yes |
| R5F21266SNFP | 32 KB | 1536 Bytes | PLQ32 7x7 32-pin 0.8mm | Yes | Yes |
| R8C/27 group | |||||
| R5F21272SDFP | 10 KB | 512 Bytes | PLQ32 7x7 32-pin 0.8mm | Yes | Yes |
| R5F21272SNFP | 10 KB | 512 Bytes | PLQ32 7x7 32-pin 0.8mm | Yes | Yes |
| R5F21274SDFP | 18 KB | 1 KB | PLQ32 7x7 32-pin 0.8mm | Yes | Yes |
| R5F21274SNFP | 18 KB | 1 KB | PLQ32 7x7 32-pin 0.8mm | Yes | Yes |
| R5F21275SDFP | 26 KB | 1536 Bytes | PLQ32 7x7 32-pin 0.8mm | Yes | Yes |
| R5F21275SNFP | 26 KB | 1536 Bytes | PLQ32 7x7 32-pin 0.8mm | Yes | Yes |
| R5F21276SDFP | 34 KB | 1536 Bytes | PLQ32 7x7 32-pin 0.8mm | Yes | Yes |
| R5F21276SNFP | 34 KB | 1536 Bytes | PLQ32 7x7 32-pin 0.8mm | Yes | Yes |
| R8C/28 group | |||||
| R5F21282SDSP | 8 KB | 512 Bytes | PLSP0020JB-A 20pin 0.65mm | Yes | Yes |
| R5F21282SNSP | 8 KB | 512 Bytes | PLSP0020JB-A 20pin 0.65mm | Yes | Yes |
| R5F21284JSP | 16 KB | 1 KB | PLSP0020JB-A 20pin 0.65mm | Yes | Yes |
| R5F21284KSP | 16 KB | 1 KB | PLSP0020JB-A 20pin 0.65mm | Yes | Yes |
| R5F21284SDSP | 16 KB | 1 KB | PLSP0020JB-A 20pin 0.65mm | Yes | Yes |
| R5F21284SNSP | 16 KB | 1 KB | PLSP0020JB-A 20pin 0.65mm | Yes | Yes |
| R8C/29 group | |||||
| R5F21292SDSP | 10 KB | 512 Bytes | PLSP0020JB-A 20pin 0.65mm | Yes | Yes |
| R5F21292SNSP | 10 KB | 512 Bytes | PLSP0020JB-A 20pin 0.65mm | Yes | Yes |
| R5F21294JSP | 18 KB | 1 KB | PLSP0020JB-A 20pin 0.65mm | Yes | Yes |
| R5F21294KSP | 18 KB | 1 KB | PLSP0020JB-A 20pin 0.65mm | Yes | Yes |
| R5F21294SDSP | 18 KB | 1 KB | PLSP0020JB-A 20pin 0.65mm | Yes | Yes |
| R5F21294SNSP | 18 KB | 1 KB | PLSP0020JB-A 20pin 0.65mm | Yes | Yes |
| R8C/2A group | |||||
| R5F212A7SDFA | 48 KB | 2560 Bytes | P-LQFP64-14x14-0.80 | Yes | Yes |
| R5F212A7SDFP | 48 KB | 2560 Bytes | P-LQFP64-10x10-0.50 | Yes | Yes |
| R5F212A7SNFA | 48 KB | 2560 Bytes | P-LQFP64-14x14-0.80 | Yes | Yes |
| R5F212A7SNFP | 48 KB | 2560 Bytes | P-LQFP64-10x10-0.50 | Yes | Yes |
| R5F212A8SDFA | 64 KB | 3 KB | P-LQFP64-14x14-0.80 | Yes | Yes |
| R5F212A8SDFP | 64 KB | 3 KB | P-LQFP64-10x10-0.50 | Yes | Yes |
| R5F212A8SNFA | 64 KB | 3 KB | P-LQFP64-14x14-0.80 | Yes | Yes |
| R5F212A8SNFP | 64 KB | 3 KB | P-LQFP64-10x10-0.50 | Yes | Yes |
| R5F212AASDFA | 96 KB | 7 KB | P-LQFP64-14x14-0.80 | Yes | Yes |
| R5F212AASDFP | 96 KB | 7 KB | P-LQFP64-10x10-0.50 | Yes | Yes |
| R5F212AASNFA | 96 KB | 7 KB | P-LQFP64-14x14-0.80 | Yes | Yes |
| R5F212AASNFP | 96 KB | 7 KB | P-LQFP64-10x10-0.50 | Yes | Yes |
| R5F212ACSDFA | 128 KB | 7680 Bytes | P-LQFP64-14x14-0.80 | Yes | Yes |
| R5F212ACSDFP | 128 KB | 7680 Bytes | P-LQFP64-10x10-0.50 | Yes | Yes |
| R5F212ACSNFA | 128 KB | 7680 Bytes | P-LQFP64-14x14-0.80 | Yes | Yes |
| R5F212ACSNFP | 128 KB | 7680 Bytes | P-LQFP64-10x10-0.50 | Yes | Yes |
| R8C/2B group | |||||
| R5F212B7SDFA | 50 KB | 2560 Bytes | P-LQFP64-14x14-0.80 | Yes | Yes |
| R5F212B7SDFP | 50 KB | 2560 Bytes | P-LQFP64-10x10-0.50 | Yes | Yes |
| R5F212B7SNFA | 50 KB | 2560 Bytes | P-LQFP64-14x14-0.80 | Yes | Yes |
| R5F212B7SNFP | 50 KB | 2560 Bytes | P-LQFP64-10x10-0.50 | Yes | Yes |
| R5F212B8SDFA | 66 KB | 3 KB | P-LQFP64-14x14-0.80 | Yes | Yes |
| R5F212B8SDFP | 66 KB | 3 KB | P-LQFP64-10x10-0.50 | Yes | Yes |
| R5F212B8SNFA | 66 KB | 3 KB | P-LQFP64-14x14-0.80 | Yes | Yes |
| R5F212B8SNFP | 66 KB | 3 KB | P-LQFP64-10x10-0.50 | Yes | Yes |
| R5F212BASDFA | 98 KB | 7 KB | P-LQFP64-14x14-0.80 | Yes | Yes |
| R5F212BASDFP | 98 KB | 7 KB | P-LQFP64-10x10-0.50 | Yes | Yes |
| R5F212BASNFA | 98 KB | 7 KB | P-LQFP64-14x14-0.80 | Yes | Yes |
| R5F212BASNFP | 98 KB | 7 KB | P-LQFP64-10x10-0.50 | Yes | Yes |
| R5F212BCSDFA | 130 KB | 7680 Bytes | P-LQFP64-14x14-0.80 | Yes | Yes |
| R5F212BCSDFP | 130 KB | 7680 Bytes | P-LQFP64-10x10-0.50 | Yes | Yes |
| R5F212BCSNFA | 130 KB | 7680 Bytes | P-LQFP64-14x14-0.80 | Yes | Yes |
| R5F212BCSNFP | 130 KB | 7680 Bytes | P-LQFP64-10x10-0.50 | Yes | Yes |
| R8C/2C group | |||||
| R5F212C7SDFP | 48 KB | 2560 Bytes | P-LQFP80 12x12 80-pin 0.50 | Yes | Yes |
| R5F212C7SNFP | 48 KB | 2560 Bytes | P-LQFP80 12x12 80-pin 0.50 | Yes | Yes |
| R5F212C8SDFP | 64 KB | 3 KB | P-LQFP80 12x12 80-pin 0.50 | Yes | Yes |
| R5F212C8SNFP | 64 KB | 3 KB | P-LQFP80 12x12 80-pin 0.50 | Yes | Yes |
| R5F212CASDFP | 96 KB | 7 KB | P-LQFP80 12x12 80-pin 0.50 | Yes | Yes |
| R5F212CASNFP | 96 KB | 7 KB | P-LQFP80 12x12 80-pin 0.50 | Yes | Yes |
| R5F212CCSDFP | 128 KB | 7680 Bytes | P-LQFP80 12x12 80-pin 0.50 | Yes | Yes |
| R5F212CCSNFP | 128 KB | 7680 Bytes | P-LQFP80 12x12 80-pin 0.50 | Yes | Yes |
| R8C/2D group | |||||
| R5F212D7SDFP | 50 KB | 2560 Bytes | P-LQFP80 12x12 80-pin 0.50 | Yes | Yes |
| R5F212D7SNFP | 50 KB | 2560 Bytes | P-LQFP80 12x12 80-pin 0.50 | Yes | Yes |
| R5F212D8SDFP | 66 KB | 3 KB | P-LQFP80 12x12 80-pin 0.50 | Yes | Yes |
| R5F212D8SNFP | 66 KB | 3 KB | P-LQFP80 12x12 80-pin 0.50 | Yes | Yes |
| R5F212DASDFP | 98 KB | 7 KB | P-LQFP80 12x12 80-pin 0.50 | Yes | Yes |
| R5F212DASNFP | 98 KB | 7 KB | P-LQFP80 12x12 80-pin 0.50 | Yes | Yes |
| R5F212DCSDFP | 130 KB | 7680 Bytes | P-LQFP80 12x12 80-pin 0.50 | Yes | Yes |
| R5F212DCSNFP | 130 KB | 7680 Bytes | P-LQFP80 12x12 80-pin 0.50 | Yes | Yes |
| R8C/2K group | |||||
| R5F212K2SDFP | 8 KB | 1 KB | P-LQFP32-7x7-0.80 | Yes | Yes |
| R5F212K2SNFP | 8 KB | 1 KB | P-LQFP32-7x7-0.80 | Yes | Yes |
| R5F212K4SDFP | 16 KB | 1536 Bytes | P-LQFP32-7x7-0.80 | Yes | Yes |
| R5F212K4SNFP | 16 KB | 1536 Bytes | P-LQFP32-7x7-0.80 | Yes | Yes |
| R8C/2L group | |||||
| R5F212L2SDFP | 10 KB | 1 KB | P-LQFP32-7x7-0.80 | Yes | Yes |
| R5F212L2SNFP | 10 KB | 1 KB | P-LQFP32-7x7-0.80 | Yes | Yes |
| R5F212L4SDFP | 18 KB | 1536 Bytes | P-LQFP32-7x7-0.80 | Yes | Yes |
| R5F212L4SNFP | 18 KB | 1536 Bytes | P-LQFP32-7x7-0.80 | Yes | Yes |
| R8C/32A group | |||||
| R5F21321ADSP | 8 KB | 512 Bytes | P-LSSOP20-4.4x6.5-0.65 | Yes | Yes |
| R5F21321ANSP | 8 KB | 512 Bytes | P-LSSOP20-4.4x6.5-0.65 | Yes | Yes |
| R5F21322ADSP | 11 KB | 1 KB | P-LSSOP20-4.4x6.5-0.65 | Yes | Yes |
| R5F21322ANSP | 11 KB | 1 KB | P-LSSOP20-4.4x6.5-0.65 | Yes | Yes |
| R5F21324ADSP | 20 KB | 1536 Bytes | P-LSSOP20-4.4x6.5-0.65 | Yes | Yes |
| R5F21324ANSP | 20 KB | 1536 Bytes | P-LSSOP20-4.4x6.5-0.65 | Yes | Yes |
| R8C/32C group | |||||
| R5F21321CDSP | 8 KB | 512 Bytes | P-LSSOP20-4.4x6.5-0.65 | Yes | Yes |
| R5F21321CNSP | 8 KB | 512 Bytes | P-LSSOP20-4.4x6.5-0.65 | Yes | Yes |
| R5F21322CDSP | 11 KB | 1 KB | P-LSSOP20-4.4x6.5-0.65 | Yes | Yes |
| R5F21322CNSP | 11 KB | 1 KB | P-LSSOP20-4.4x6.5-0.65 | Yes | Yes |
| R5F21324CDSP | 20 KB | 1536 Bytes | P-LSSOP20-4.4x6.5-0.65 | Yes | Yes |
| R5F21324CNSP | 20 KB | 1536 Bytes | P-LSSOP20-4.4x6.5-0.65 | Yes | Yes |
| R8C/33A group | |||||
| R5F21331ADFP | 8 KB | 512 Bytes | P-LQFP32-7x7-0.80 | Yes | Yes |
| R5F21331ANFP | 8 KB | 512 Bytes | P-LQFP32-7x7-0.80 | Yes | Yes |
| R5F21332ADFP | 12 KB | 1 KB | P-LQFP32-7x7-0.80 | Yes | Yes |
| R5F21332ANFP | 12 KB | 1 KB | P-LQFP32-7x7-0.80 | Yes | Yes |
| R5F21334ADFP | 20 KB | 1536 Bytes | P-LQFP32-7x7-0.80 | Yes | Yes |
| R5F21334ANFP | 20 KB | 1536 Bytes | P-LQFP32-7x7-0.80 | Yes | Yes |
| R5F21335ADFP | 28 KB | 2 KB | P-LQFP32-7x7-0.80 | Yes | Yes |
| R5F21335ANFP | 28 KB | 2 KB | P-LQFP32-7x7-0.80 | Yes | Yes |
| R5F21336ADFP | 36 KB | 2560 Bytes | P-LQFP32-7x7-0.80 | Yes | Yes |
| R5F21336ANFP | 36 KB | 2560 Bytes | P-LQFP32-7x7-0.80 | Yes | Yes |
| R8C/33C group | |||||
| R5F21331CDFP | 8 KB | 512 Bytes | P-LQFP32-7x7-0.80 | Yes | Yes |
| R5F21331CNFP | 8 KB | 512 Bytes | P-LQFP32-7x7-0.80 | Yes | Yes |
| R5F21332CDFP | 12 KB | 1 KB | P-LQFP32-7x7-0.80 | Yes | Yes |
| R5F21332CNFP | 12 KB | 1 KB | P-LQFP32-7x7-0.80 | Yes | Yes |
| R5F21334CDFP | 20 KB | 1536 Bytes | P-LQFP32-7x7-0.80 | Yes | Yes |
| R5F21334CNFP | 20 KB | 1536 Bytes | P-LQFP32-7x7-0.80 | Yes | Yes |
| R5F21335CDFP | 28 KB | 2 KB | P-LQFP32-7x7-0.80 | Yes | Yes |
| R5F21335CNFP | 28 KB | 2 KB | P-LQFP32-7x7-0.80 | Yes | Yes |
| R5F21336CDFP | 36 KB | 2560 Bytes | P-LQFP32-7x7-0.80 | Yes | Yes |
| R5F21336CNFP | 36 KB | 2560 Bytes | P-LQFP32-7x7-0.80 | Yes | Yes |
| R8C/33T group | |||||
| R5F21334TDFP | 20 KB | 1536 Bytes | P-LQFP32-7x7-0.80 | Yes | Yes |
| R5F21334TNFP | 20 KB | 1536 Bytes | P-LQFP32-7x7-0.80 | Yes | Yes |
| R5F21335TDFP | 28 KB | 2 KB | P-LQFP32-7x7-0.80 | Yes | Yes |
| R5F21335TNFP | 28 KB | 2 KB | P-LQFP32-7x7-0.80 | Yes | Yes |
| R5F21336TDFP | 36 KB | 2560 Bytes | P-LQFP32-7x7-0.80 | Yes | Yes |
| R5F21336TNFP | 36 KB | 2560 Bytes | P-LQFP32-7x7-0.80 | Yes | Yes |
| R8C/34E group | |||||
| R5F21346ExFP | 36 KB | 2560 Bytes | P-LQFP48 7x7 48-pin 0.50 | Yes | Yes |
| R5F21347ExFP | 52 KB | 4 KB | P-LQFP48 7x7 48-pin 0.50 | Yes | Yes |
| R5F21348ExFP | 68 KB | 6 KB | P-LQFP48 7x7 48-pin 0.50 | Yes | Yes |
| R5F2134AExFP | 100 KB | 8 KB | P-LQFP48 7x7 48-pin 0.50 | Yes | Yes |
| R5F2134CExFP | 132 KB | 10 KB | P-LQFP48 7x7 48-pin 0.50 | Yes | Yes |
| R8C/34F group | |||||
| R5F21346FxFP | 32 KB | 2560 Bytes | P-LQFP48 7x7 48-pin 0.50 | Yes | Yes |
| R5F21347FxFP | 48 KB | 4 KB | P-LQFP48 7x7 48-pin 0.50 | Yes | Yes |
| R5F21348FxFP | 64 KB | 6 KB | P-LQFP48 7x7 48-pin 0.50 | Yes | Yes |
| R5F2134AFxFP | 96 KB | 8 KB | P-LQFP48 7x7 48-pin 0.50 | Yes | Yes |
| R5F2134CFxFP | 128 KB | 10 KB | P-LQFP48 7x7 48-pin 0.50 | Yes | Yes |
| R8C/34G group | |||||
| R5F21346GxFP | 36 KB | 2560 Bytes | P-LQFP48 7x7 48-pin 0.50 | Yes | Yes |
| R5F21347GxFP | 52 KB | 4 KB | P-LQFP48 7x7 48-pin 0.50 | Yes | Yes |
| R5F21348GxFP | 68 KB | 6 KB | P-LQFP48 7x7 48-pin 0.50 | Yes | Yes |
| R5F2134AGxFP | 100 KB | 8 KB | P-LQFP48 7x7 48-pin 0.50 | Yes | Yes |
| R5F2134CGxFP | 132 KB | 10 KB | P-LQFP48 7x7 48-pin 0.50 | Yes | Yes |
| R8C/34H group | |||||
| R5F21346HxFP | 32 KB | 2560 Bytes | P-LQFP48 7x7 48-pin 0.50 | Yes | Yes |
| R5F21347HxFP | 48 KB | 4 KB | P-LQFP48 7x7 48-pin 0.50 | Yes | Yes |
| R5F21348HxFP | 64 KB | 6 KB | P-LQFP48 7x7 48-pin 0.50 | Yes | Yes |
| R5F2134AHxFP | 96 KB | 8 KB | P-LQFP48 7x7 48-pin 0.50 | Yes | Yes |
| R5F2134CHxFP | 128 KB | 10 KB | P-LQFP48 7x7 48-pin 0.50 | Yes | Yes |
| R8C/34W group | |||||
| R5F21346WxFP | 36 KB | 2560 Bytes | P-LQFP48 7x7 48-pin 0.50 | Yes | Yes |
| R5F21347WxFP | 52 KB | 4 KB | P-LQFP48 7x7 48-pin 0.50 | Yes | Yes |
| R5F21348WxFP | 68 KB | 6 KB | P-LQFP48 7x7 48-pin 0.50 | Yes | Yes |
| R5F2134AWxFP | 100 KB | 8 KB | P-LQFP48 7x7 48-pin 0.50 | Yes | Yes |
| R5F2134CWxFP | 132 KB | 10 KB | P-LQFP48 7x7 48-pin 0.50 | Yes | Yes |
| R8C/34X group | |||||
| R5F21346XxFP | 36 KB | 2560 Bytes | P-LQFP48 7x7 48-pin 0.50 | Yes | Yes |
| R5F21347XxFP | 52 KB | 4 KB | P-LQFP48 7x7 48-pin 0.50 | Yes | Yes |
| R5F21348XxFP | 68 KB | 6 KB | P-LQFP48 7x7 48-pin 0.50 | Yes | Yes |
| R5F2134AXxFP | 100 KB | 8 KB | P-LQFP48 7x7 48-pin 0.50 | Yes | Yes |
| R5F2134CXxFP | 132 KB | 10 KB | P-LQFP48 7x7 48-pin 0.50 | Yes | Yes |
| R8C/34Y group | |||||
| R5F21346YxFP | 36 KB | 2560 Bytes | P-LQFP48 7x7 48-pin 0.50 | Yes | Yes |
| R5F21347YxFP | 52 KB | 4 KB | P-LQFP48 7x7 48-pin 0.50 | Yes | Yes |
| R5F21348YxFP | 68 KB | 6 KB | P-LQFP48 7x7 48-pin 0.50 | Yes | Yes |
| R5F2134AYxFP | 100 KB | 8 KB | P-LQFP48 7x7 48-pin 0.50 | Yes | Yes |
| R5F2134CYxFP | 132 KB | 10 KB | P-LQFP48 7x7 48-pin 0.50 | Yes | Yes |
| R8C/34Z group | |||||
| R5F21346ZxFP | 36 KB | 2560 Bytes | P-LQFP48 7x7 48-pin 0.50 | Yes | Yes |
| R5F21347ZxFP | 52 KB | 4 KB | P-LQFP48 7x7 48-pin 0.50 | Yes | Yes |
| R5F21348ZxFP | 68 KB | 6 KB | P-LQFP48 7x7 48-pin 0.50 | Yes | Yes |
| R5F2134AZxFP | 100 KB | 8 KB | P-LQFP48 7x7 48-pin 0.50 | Yes | Yes |
| R5F2134CZxFP | 132 KB | 10 KB | P-LQFP48 7x7 48-pin 0.50 | Yes | Yes |
| R8C/35A group | |||||
| R5F21354ADFP | 20 KB | 1536 Bytes | P-LQFP52-10x10-0.65 | Yes | Yes |
| R5F21354ANFP | 20 KB | 1536 Bytes | P-LQFP52-10x10-0.65 | Yes | Yes |
| R5F21355ADFP | 28 KB | 2 KB | P-LQFP52-10x10-0.65 | Yes | Yes |
| R5F21355ANFP | 28 KB | 2 KB | P-LQFP52-10x10-0.65 | Yes | Yes |
| R5F21356ADFP | 36 KB | 2560 Bytes | P-LQFP52-10x10-0.65 | Yes | Yes |
| R5F21356ANFP | 36 KB | 2560 Bytes | P-LQFP52-10x10-0.65 | Yes | Yes |
| R5F21357ADFP | 52 KB | 4 KB | P-LQFP52-10x10-0.65 | Yes | Yes |
| R5F21357ANFP | 52 KB | 4 KB | P-LQFP52-10x10-0.65 | Yes | Yes |
| R5F21358ADFP | 68 KB | 6 KB | P-LQFP52-10x10-0.65 | Yes | Yes |
| R5F21358ANFP | 68 KB | 6 KB | P-LQFP52-10x10-0.65 | Yes | Yes |
| R5F2135AADFP | 100 KB | 8 KB | P-LQFP52-10x10-0.65 | Yes | Yes |
| R5F2135AANFP | 100 KB | 8 KB | P-LQFP52-10x10-0.65 | Yes | Yes |
| R5F2135CADFP | 132 KB | 10 KB | P-LQFP52-10x10-0.65 | Yes | Yes |
| R5F2135CANFP | 132 KB | 10 KB | P-LQFP52-10x10-0.65 | Yes | Yes |
| R8C/35C group | |||||
| R5F21354CDFP | 20 KB | 1536 Bytes | P-LQFP52-10x10-0.65 | Yes | Yes |
| R5F21354CNFP | 20 KB | 1536 Bytes | P-LQFP52-10x10-0.65 | Yes | Yes |
| R5F21355CDFP | 28 KB | 2 KB | P-LQFP52-10x10-0.65 | Yes | Yes |
| R5F21355CNFP | 28 KB | 2 KB | P-LQFP52-10x10-0.65 | Yes | Yes |
| R5F21356CDFP | 36 KB | 2560 Bytes | P-LQFP52-10x10-0.65 | Yes | Yes |
| R5F21356CNFP | 36 KB | 2560 Bytes | P-LQFP52-10x10-0.65 | Yes | Yes |
| R5F21357CDFP | 52 KB | 4 KB | P-LQFP52-10x10-0.65 | Yes | Yes |
| R5F21357CNFP | 52 KB | 4 KB | P-LQFP52-10x10-0.65 | Yes | Yes |
| R5F21358CDFP | 68 KB | 6 KB | P-LQFP52-10x10-0.65 | Yes | Yes |
| R5F21358CNFP | 68 KB | 6 KB | P-LQFP52-10x10-0.65 | Yes | Yes |
| R5F2135ACDFP | 100 KB | 8 KB | P-LQFP52-10x10-0.65 | Yes | Yes |
| R5F2135ACNFP | 100 KB | 8 KB | P-LQFP52-10x10-0.65 | Yes | Yes |
| R5F2135CCDFP | 132 KB | 10 KB | P-LQFP52-10x10-0.65 | Yes | Yes |
| R5F2135CCNFP | 132 KB | 10 KB | P-LQFP52-10x10-0.65 | Yes | Yes |
| R8C/35D group | |||||
| R5F21354DDFP | 16 KB | 1 KB | P-LQFP52-10x10-0.65 | Yes | Yes |
| R5F21354DNFP | 16 KB | 1 KB | P-LQFP52-10x10-0.65 | Yes | Yes |
| R5F21355DDFP | 24 KB | 1 KB | P-LQFP52-10x10-0.65 | Yes | Yes |
| R5F21355DNFP | 24 KB | 1 KB | P-LQFP52-10x10-0.65 | Yes | Yes |
| R5F21356DDFP | 32 KB | 1 KB | P-LQFP52-10x10-0.65 | Yes | Yes |
| R5F21356DNFP | 32 KB | 1 KB | P-LQFP52-10x10-0.65 | Yes | Yes |
| R8C/36C group | |||||
| R5F21364CDFA | 20 KB | 1536 Bytes | P-LQFP64-14x14-0.80 | Yes | Yes |
| R5F21364CDFP | 20 KB | 1536 Bytes | P-LQFP64-10x10-0.50 | Yes | Yes |
| R5F21364CNFA | 20 KB | 1536 Bytes | P-LQFP64-14x14-0.80 | Yes | Yes |
| R5F21365CDFA | 28 KB | 2 KB | P-LQFP64-14x14-0.80 | Yes | Yes |
| R5F21365CDFP | 28 KB | 2 KB | P-LQFP64-10x10-0.50 | Yes | Yes |
| R5F21365CNFA | 28 KB | 2 KB | P-LQFP64-14x14-0.80 | Yes | Yes |
| R5F21366CDFA | 36 KB | 2560 Bytes | P-LQFP64-14x14-0.80 | Yes | Yes |
| R5F21366CDFP | 36 KB | 2560 Bytes | P-LQFP64-10x10-0.50 | Yes | Yes |
| R5F21366CNFA | 36 KB | 2560 Bytes | P-LQFP64-14x14-0.80 | Yes | Yes |
| R5F21366CNFP | 36 KB | 2560 Bytes | P-LQFP64-10x10-0.50 | Yes | Yes |
| R5F21367CDFA | 52 KB | 4 KB | P-LQFP64-14x14-0.80 | Yes | Yes |
| R5F21367CDFP | 52 KB | 4 KB | P-LQFP64-10x10-0.50 | Yes | Yes |
| R5F21367CNFA | 52 KB | 4 KB | P-LQFP64-14x14-0.80 | Yes | Yes |
| R5F21367CNFP | 52 KB | 4 KB | P-LQFP64-10x10-0.50 | Yes | Yes |
| R5F21368CDFA | 68 KB | 6 KB | P-LQFP64-14x14-0.80 | Yes | Yes |
| R5F21368CDFP | 68 KB | 6 KB | P-LQFP64-10x10-0.50 | Yes | Yes |
| R5F21368CNFA | 68 KB | 6 KB | P-LQFP64-14x14-0.80 | Yes | Yes |
| R5F21368CNFP | 20 KB | 1536 Bytes | P-LQFP64-10x10-0.50 | Yes | Yes |
| R5F2136ACDFA | 100 KB | 8 KB | P-LQFP64-14x14-0.80 | Yes | Yes |
| R5F2136ACDFP | 100 KB | 8 KB | P-LQFP64-10x10-0.50 | Yes | Yes |
| R5F2136ACNFA | 100 KB | 8 KB | P-LQFP64-14x14-0.80 | Yes | Yes |
| R5F2136ACNFP | 100 KB | 8 KB | P-LQFP64-10x10-0.50 | Yes | Yes |
| R5F2136CCDFA | 132 KB | 10 KB | P-LQFP64-14x14-0.80 | Yes | Yes |
| R5F2136CCDFP | 132 KB | 10 KB | P-LQFP64-10x10-0.50 | Yes | Yes |
| R5F2136CCNFA | 132 KB | 10 KB | P-LQFP64-14x14-0.80 | Yes | Yes |
| R5F2136CCNFP | 132 KB | 10 KB | P-LQFP64-10x10-0.50 | Yes | Yes |
| R5F2L368CNFP | 28 KB | 2 KB | P-LQFP64-10x10-0.50 | Yes | Yes |
| R8C/36E group | |||||
| R5F21368ExFP | 68 KB | 6 KB | P-LQFP64 10x10 64-pin 0.50 | Yes | Yes |
| R5F2136AExFP | 100 KB | 8 KB | P-LQFP64 10x10 64-pin 0.50 | Yes | Yes |
| R5F2136CExFP | 132 KB | 10 KB | P-LQFP64 10x10 64-pin 0.50 | Yes | Yes |
| R8C/36F group | |||||
| R5F21368FxFP | 64 KB | 6 KB | P-LQFP64 10x10 64-pin 0.50 | Yes | Yes |
| R5F2136AFxFP | 96 KB | 8 KB | P-LQFP64 10x10 64-pin 0.50 | Yes | Yes |
| R5F2136CFxFP | 128 KB | 10 KB | P-LQFP64 10x10 64-pin 0.50 | Yes | Yes |
| R8C/36G group | |||||
| R5F21368GxFP | 68 KB | 6 KB | P-LQFP64 10x10 64-pin 0.50 | Yes | Yes |
| R5F2136AGxFP | 100 KB | 8 KB | P-LQFP64 10x10 64-pin 0.50 | Yes | Yes |
| R5F2136CGxFP | 132 KB | 10 KB | P-LQFP64 10x10 64-pin 0.50 | Yes | Yes |
| R8C/36H group | |||||
| R5F21368HxFP | 64 KB | 6 KB | P-LQFP64 10x10 64-pin 0.50 | Yes | Yes |
| R5F2136AHxFP | 96 KB | 8 KB | P-LQFP64 10x10 64-pin 0.50 | Yes | Yes |
| R5F2136CHxFP | 128 KB | 10 KB | P-LQFP64 10x10 64-pin 0.50 | Yes | Yes |
| R8C/36T group | |||||
| R5F21368SxFA | 68 KB | 6 KB | P-LQFP64-14x14-0.80 | Yes | Yes |
| R5F21368SxFP | 68 KB | 6 KB | P-LQFP64-10x10-0.50 | Yes | Yes |
| R5F2136ASxFA | 100 KB | 8 KB | P-LQFP64-14x14-0.80 | Yes | Yes |
| R5F2136ASxFP | 100 KB | 8 KB | P-LQFP64-10x10-0.50 | Yes | Yes |
| R5F2136CSxFA | 132 KB | 10 KB | P-LQFP64-14x14-0.80 | Yes | Yes |
| R5F2136CSxFP | 132 KB | 10 KB | P-LQFP64-10x10-0.50 | Yes | Yes |
| R8C/38A group | |||||
| R5F21386AxFP | 36 KB | 2560 Bytes | P-LQFP80-12x12-0.50 | Yes | Yes |
| R5F21387AxFP | 52 KB | 4 KB | P-LQFP80-12x12-0.50 | Yes | Yes |
| R5F21388AxFP | 68 KB | 6 KB | P-LQFP80-12x12-0.50 | Yes | Yes |
| R5F2138AAxFP | 100 KB | 8 KB | P-LQFP80-12x12-0.50 | Yes | Yes |
| R5F2138CAxFP | 132 KB | 10 KB | P-LQFP80-12x12-0.50 | Yes | Yes |
| R8C/38E group | |||||
| R5F21388ExFP | 68 KB | 6 KB | P-LQFP80 12x12 80-pin 0.50 | Yes | Yes |
| R5F2138AExFP | 100 KB | 8 KB | P-LQFP80 12x12 80-pin 0.50 | Yes | Yes |
| R5F2138CExFP | 132 KB | 10 KB | P-LQFP80 12x12 80-pin 0.50 | Yes | Yes |
| R8C/38F group | |||||
| R5F21388FxFP | 64 KB | 6 KB | P-LQFP80 12x12 80-pin 0.50 | Yes | Yes |
| R5F2138AFxFP | 96 KB | 8 KB | P-LQFP80 12x12 80-pin 0.50 | Yes | Yes |
| R5F2138CFxFP | 128 KB | 10 KB | P-LQFP80 12x12 80-pin 0.50 | Yes | Yes |
| R8C/38G group | |||||
| R5F21388GxFP | 68 KB | 6 KB | P-LQFP80 12x12 80-pin 0.50 | Yes | Yes |
| R5F2138AGxFP | 100 KB | 8 KB | P-LQFP80 12x12 80-pin 0.50 | Yes | Yes |
| R5F2138CGxFP | 132 KB | 10 KB | P-LQFP80 12x12 80-pin 0.50 | Yes | Yes |
| R8C/38H group | |||||
| R5F21388HxFP | 64 KB | 6 KB | P-LQFP80 12x12 80-pin 0.50 | Yes | Yes |
| R5F2138AHxFP | 96 KB | 8 KB | P-LQFP80 12x12 80-pin 0.50 | Yes | Yes |
| R5F2138CHxFP | 128 KB | 10 KB | P-LQFP80 12x12 80-pin 0.50 | Yes | Yes |
| R8C/3JA group | |||||
| R5F213J2ADNP | 12 KB | 1 KB | P-HWQFN36-6x6-0.50 | Yes | Yes |
| R5F213J2ANNP | 12 KB | 1 KB | P-HWQFN36-6x6-0.50 | Yes | Yes |
| R5F213J4ADNP | 20 KB | 1536 Bytes | P-HWQFN36-6x6-0.50 | Yes | Yes |
| R5F213J4ANNP | 20 KB | 1536 Bytes | P-HWQFN36-6x6-0.50 | Yes | Yes |
| R5F213J5ADNP | 28 KB | 2 KB | P-HWQFN36-6x6-0.50 | Yes | Yes |
| R5F213J5ANNP | 28 KB | 2 KB | P-HWQFN36-6x6-0.50 | Yes | Yes |
| R5F213J6ADNP | 36 KB | 2560 Bytes | P-HWQFN36-6x6-0.50 | Yes | Yes |
| R5F213J6ANNP | 36 KB | 2560 Bytes | P-HWQFN36-6x6-0.50 | Yes | Yes |
| R8C/L35C group | |||||
| R5F2L357CDFP | 52 KB | 6 KB | P-LQFP52-10x10-0.65 | Yes | Yes |
| R5F2L357CNFP | 52 KB | 6 KB | P-LQFP52-10x10-0.65 | Yes | Yes |
| R5F2L358CDFP | 68 KB | 8 KB | P-LQFP52-10x10-0.65 | Yes | Yes |
| R5F2L358CNFP | 68 KB | 8 KB | P-LQFP52-10x10-0.65 | Yes | Yes |
| R5F2L35ACDFP | 100 KB | 10 KB | P-LQFP52-10x10-0.65 | Yes | Yes |
| R5F2L35ACNFP | 100 KB | 10 KB | P-LQFP52-10x10-0.65 | Yes | Yes |
| R5F2L35CCDFP | 132 KB | 10 KB | P-LQFP52-10x10-0.65 | Yes | Yes |
| R5F2L35CCNFP | 132 KB | 10 KB | P-LQFP52-10x10-0.65 | Yes | Yes |
| R8C/L35M group | |||||
| R5F2L357MDFP | 52 KB | 6 KB | P-LQFP52 10x10 52-pin 0.65 | Yes | Yes |
| R5F2L357MNFP | 52 KB | 6 KB | P-LQFP52 10x10 52-pin 0.65 | Yes | Yes |
| R5F2L358MDFP | 68 KB | 8 KB | P-LQFP52 10x10 52-pin 0.65 | Yes | Yes |
| R5F2L358MNFP | 68 KB | 8 KB | P-LQFP52 10x10 52-pin 0.65 | Yes | Yes |
| R5F2L35AMDFP | 100 KB | 10 KB | P-LQFP52 10x10 52-pin 0.65 | Yes | Yes |
| R5F2L35AMNFP | 100 KB | 10 KB | P-LQFP52 10x10 52-pin 0.65 | Yes | Yes |
| R5F2L35CMDFP | 132 KB | 10 KB | P-LQFP52 10x10 52-pin 0.65 | Yes | Yes |
| R5F2L35CMNFP | 132 KB | 10 KB | P-LQFP52 10x10 52-pin 0.65 | Yes | Yes |
| R8C/L36C group | |||||
| R5F2L367CDFA | 52 KB | 6 KB | P-LQFP64-14x14-0.80 | Yes | Yes |
| R5F2L367CDFP | 52 KB | 6 KB | P-LQFP64-10x10-0.50 | Yes | Yes |
| R5F2L367CNFA | 52 KB | 6 KB | P-LQFP64-14x14-0.80 | Yes | Yes |
| R5F2L367CNFP | 52 KB | 6 KB | P-LQFP64-10x10-0.50 | Yes | Yes |
| R5F2L368CDFA | 68 KB | 8 KB | P-LQFP64-14x14-0.80 | Yes | Yes |
| R5F2L368CDFP | 68 KB | 8 KB | P-LQFP64-10x10-0.50 | Yes | Yes |
| R5F2L368CNFA | 68 KB | 8 KB | P-LQFP64-14x14-0.80 | Yes | Yes |
| R5F2L368CNFP | 68 KB | 8 KB | P-LQFP64-10x10-0.50 | Yes | Yes |
| R5F2L36ACDFA | 100 KB | 10 KB | P-LQFP64-14x14-0.80 | Yes | Yes |
| R5F2L36ACDFP | 100 KB | 10 KB | P-LQFP64-10x10-0.50 | Yes | Yes |
| R5F2L36ACNFA | 100 KB | 10 KB | P-LQFP64-14x14-0.80 | Yes | Yes |
| R5F2L36ACNFP | 100 KB | 10 KB | P-LQFP64-10x10-0.50 | Yes | Yes |
| R5F2L36CCDFA | 132 KB | 10 KB | P-LQFP64-14x14-0.80 | Yes | Yes |
| R5F2L36CCDFP | 132 KB | 10 KB | P-LQFP64-10x10-0.50 | Yes | Yes |
| R5F2L36CCNFA | 132 KB | 10 KB | P-LQFP64-14x14-0.80 | Yes | Yes |
| R5F2L36CCNFP | 132 KB | 10 KB | P-LQFP64-10x10-0.50 | Yes | Yes |
| R8C/L36M group | |||||
| R5F2L367MDFA | 52 KB | 6 KB | P-LQFP64 14x14 64-pin 0.8 | Yes | Yes |
| R5F2L367MDFP | 52 KB | 6 KB | P-LQFP64 10x10 64-pin 0.5 | Yes | Yes |
| R5F2L367MNFA | 52 KB | 6 KB | P-LQFP64 14x14 64-pin 0.8 | Yes | Yes |
| R5F2L367MNFP | 52 KB | 6 KB | P-LQFP64 10x10 64-pin 0.5 | Yes | Yes |
| R5F2L368MDFA | 68 KB | 8 KB | P-LQFP64 14x14 64-pin 0.8 | Yes | Yes |
| R5F2L368MDFP | 68 KB | 8 KB | P-LQFP64 10x10 64-pin 0.5 | Yes | Yes |
| R5F2L368MNFA | 68 KB | 8 KB | P-LQFP64 14x14 64-pin 0.8 | Yes | Yes |
| R5F2L368MNFP | 68 KB | 8 KB | P-LQFP64 10x10 64-pin 0.5 | Yes | Yes |
| R5F2L36AMDFA | 100 KB | 10 KB | P-LQFP64 14x14 64-pin 0.8 | Yes | Yes |
| R5F2L36AMDFP | 100 KB | 10 KB | P-LQFP64 10x10 64-pin 0.5 | Yes | Yes |
| R5F2L36AMNFA | 100 KB | 10 KB | P-LQFP64 14x14 64-pin 0.8 | Yes | Yes |
| R5F2L36AMNFP | 100 KB | 10 KB | P-LQFP64 10x10 64-pin 0.5 | Yes | Yes |
| R5F2L36CMDFA | 132 KB | 10 KB | P-LQFP64 14x14 64-pin 0.8 | Yes | Yes |
| R5F2L36CMDFP | 132 KB | 10 KB | P-LQFP64 10x10 64-pin 0.5 | Yes | Yes |
| R5F2L36CMNFA | 132 KB | 10 KB | P-LQFP64 14x14 64-pin 0.8 | Yes | Yes |
| R5F2L36CMNFP | 132 KB | 10 KB | P-LQFP64 10x10 64-pin 0.5 | Yes | Yes |
| R8C/L38C group | |||||
| R5F2L387CDFA | 52 KB | 6 KB | P-LQFP80-14x14-0.65 | Yes | Yes |
| R5F2L387CDFP | 52 KB | 6 KB | P-LQFP80-12x12-0.50 | Yes | Yes |
| R5F2L387CNFA | 52 KB | 6 KB | P-LQFP80-14x14-0.65 | Yes | Yes |
| R5F2L387CNFP | 52 KB | 6 KB | P-LQFP80-12x12-0.50 | Yes | Yes |
| R5F2L388CDFA | 68 KB | 8 KB | P-LQFP80-14x14-0.65 | Yes | Yes |
| R5F2L388CDFP | 68 KB | 8 KB | P-LQFP80-12x12-0.50 | Yes | Yes |
| R5F2L388CNFA | 68 KB | 8 KB | P-LQFP80-14x14-0.65 | Yes | Yes |
| R5F2L388CNFP | 68 KB | 8 KB | P-LQFP80-12x12-0.50 | Yes | Yes |
| R5F2L38ACDFA | 100 KB | 10 KB | P-LQFP80-14x14-0.65 | Yes | Yes |
| R5F2L38ACDFP | 100 KB | 10 KB | P-LQFP80-12x12-0.50 | Yes | Yes |
| R5F2L38ACNFA | 100 KB | 10 KB | P-LQFP80-14x14-0.65 | Yes | Yes |
| R5F2L38ACNFP | 100 KB | 10 KB | P-LQFP80-12x12-0.50 | Yes | Yes |
| R5F2L38CCDFA | 132 KB | 10 KB | P-LQFP80-14x14-0.65 | Yes | Yes |
| R5F2L38CCDFP | 132 KB | 10 KB | P-LQFP80-12x12-0.50 | Yes | Yes |
| R5F2L38CCNFA | 132 KB | 10 KB | P-LQFP80-14x14-0.65 | Yes | Yes |
| R5F2L38CCNFP | 132 KB | 10 KB | P-LQFP80-12x12-0.50 | Yes | Yes |
| R8C/L38M group | |||||
| R5F2L387MDFA | 52 KB | 6 KB | P-LQFP80 14x14 80-pin 0.65 | Yes | Yes |
| R5F2L387MDFP | 52 KB | 6 KB | P-LQFP80 12x12 80-pin 0.5 | Yes | Yes |
| R5F2L387MNFA | 52 KB | 6 KB | P-LQFP80 14x14 80-pin 0.65 | Yes | Yes |
| R5F2L387MNFP | 52 KB | 6 KB | P-LQFP80 12x12 80-pin 0.5 | Yes | Yes |
| R5F2L388MDFA | 68 KB | 8 KB | P-LQFP80 14x14 80-pin 0.65 | Yes | Yes |
| R5F2L388MDFP | 68 KB | 8 KB | P-LQFP80 12x12 80-pin 0.5 | Yes | Yes |
| R5F2L388MNFA | 68 KB | 8 KB | P-LQFP80 14x14 80-pin 0.65 | Yes | Yes |
| R5F2L388MNFP | 68 KB | 8 KB | P-LQFP80 12x12 80-pin 0.5 | Yes | Yes |
| R5F2L38AMDFA | 100 KB | 10 KB | P-LQFP80 14x14 80-pin 0.65 | Yes | Yes |
| R5F2L38AMDFP | 100 KB | 10 KB | P-LQFP80 12x12 80-pin 0.5 | Yes | Yes |
| R5F2L38AMNFA | 100 KB | 10 KB | P-LQFP80 14x14 80-pin 0.65 | Yes | Yes |
| R5F2L38AMNFP | 100 KB | 10 KB | P-LQFP80 12x12 80-pin 0.5 | Yes | Yes |
| R5F2L38CMDFA | 132 KB | 10 KB | P-LQFP80 14x14 80-pin 0.65 | Yes | Yes |
| R5F2L38CMDFP | 132 KB | 10 KB | P-LQFP80 12x12 80-pin 0.5 | Yes | Yes |
| R5F2L38CMNFA | 132 KB | 10 KB | P-LQFP80 14x14 80-pin 0.65 | Yes | Yes |
| R5F2L38CMNFP | 132 KB | 10 KB | P-LQFP80 12x12 80-pin 0.5 | Yes | Yes |
| R8C/L3AC group | |||||
| R5F2L3A7CDFA | 52 KB | 6 KB | P-QFP100-14x20-0.65 | Yes | Yes |
| R5F2L3A7CDFP | 52 KB | 6 KB | P-LQFP100-14x14-0.50 | Yes | Yes |
| R5F2L3A7CNFA | 52 KB | 6 KB | P-QFP100-14x20-0.65 | Yes | Yes |
| R5F2L3A7CNFP | 52 KB | 6 KB | P-LQFP100-14x14-0.50 | Yes | Yes |
| R5F2L3A8CDFA | 68 KB | 8 KB | P-QFP100-14x20-0.65 | Yes | Yes |
| R5F2L3A8CDFP | 68 KB | 8 KB | P-LQFP100-14x14-0.50 | Yes | Yes |
| R5F2L3A8CNFA | 68 KB | 8 KB | P-QFP100-14x20-0.65 | Yes | Yes |
| R5F2L3A8CNFP | 68 KB | 8 KB | P-LQFP100-14x14-0.50 | Yes | Yes |
| R5F2L3AACDFA | 100 KB | 10 KB | P-QFP100-14x20-0.65 | Yes | Yes |
| R5F2L3AACDFP | 100 KB | 10 KB | P-LQFP100-14x14-0.50 | Yes | Yes |
| R5F2L3AACNFA | 100 KB | 10 KB | P-QFP100-14x20-0.65 | Yes | Yes |
| R5F2L3AACNFP | 100 KB | 10 KB | P-LQFP100-14x14-0.50 | Yes | Yes |
| R5F2L3ACCDFA | 132 KB | 10 KB | P-QFP100-14x20-0.65 | Yes | Yes |
| R5F2L3ACCDFP | 132 KB | 10 KB | P-LQFP100-14x14-0.50 | Yes | Yes |
| R5F2L3ACCNFA | 132 KB | 10 KB | P-QFP100-14x20-0.65 | Yes | Yes |
| R5F2L3ACCNFP | 132 KB | 10 KB | P-LQFP100-14x14-0.50 | Yes | Yes |
| R8C/L3AM group | |||||
| R5F2L3A7MDFA | 52 KB | 6 KB | P-QFP100 14x20 100-pin 0.65 | Yes | Yes |
| R5F2L3A7MDFP | 52 KB | 6 KB | P-LQFP100 14x14 100-pin 0.5 | Yes | Yes |
| R5F2L3A7MNFA | 52 KB | 6 KB | P-QFP100 14x20 100-pin 0.65 | Yes | Yes |
| R5F2L3A7MNFP | 52 KB | 6 KB | P-LQFP100 14x14 100-pin 0.5 | Yes | Yes |
| R5F2L3A8MDFA | 68 KB | 8 KB | P-QFP100 14x20 100-pin 0.65 | Yes | Yes |
| R5F2L3A8MDFP | 68 KB | 8 KB | P-LQFP100 14x14 100-pin 0.5 | Yes | Yes |
| R5F2L3A8MNFA | 68 KB | 8 KB | P-QFP100 14x20 100-pin 0.65 | Yes | Yes |
| R5F2L3A8MNFP | 68 KB | 8 KB | P-LQFP100 14x14 100-pin 0.5 | Yes | Yes |
| R5F2L3AAMDFA | 100 KB | 10 KB | P-QFP100 14x20 100-pin 0.65 | Yes | Yes |
| R5F2L3AAMDFP | 100 KB | 10 KB | P-LQFP100 14x14 100-pin 0.5 | Yes | Yes |
| R5F2L3AAMNFA | 100 KB | 10 KB | P-QFP100 14x20 100-pin 0.65 | Yes | Yes |
| R5F2L3AAMNFP | 100 KB | 10 KB | P-LQFP100 14x14 100-pin 0.5 | Yes | Yes |
| R5F2L3ACMDFA | 132 KB | 10 KB | P-QFP100 14x20 100-pin 0.65 | Yes | Yes |
| R5F2L3ACMDFP | 132 KB | 10 KB | P-LQFP100 14x14 100-pin 0.5 | Yes | Yes |
| R5F2L3ACMNFA | 132 KB | 10 KB | P-QFP100 14x20 100-pin 0.65 | Yes | Yes |
| R5F2L3ACMNFP | 132 KB | 10 KB | P-LQFP100 14x14 100-pin 0.5 | Yes | Yes |
| R8C/LA6A group | |||||
| R5F2LA64ADFA | 18 KB | 2 KB | P-LQFP64-14x14-0.80 | Yes | Yes |
| R5F2LA64ADFP | 18 KB | 2 KB | P-LQFP64-10x10-0.50 | Yes | Yes |
| R5F2LA64ANFA | 18 KB | 2 KB | P-LQFP64-14x14-0.80 | Yes | Yes |
| R5F2LA64ANFP | 18 KB | 2 KB | P-LQFP64-10x10-0.50 | Yes | Yes |
| R5F2LA66ADFA | 34 KB | 2 KB | P-LQFP64-14x14-0.80 | Yes | Yes |
| R5F2LA66ADFP | 34 KB | 2 KB | P-LQFP64-10x10-0.50 | Yes | Yes |
| R5F2LA66ANFA | 34 KB | 2 KB | P-LQFP64-14x14-0.80 | Yes | Yes |
| R5F2LA66ANFP | 34 KB | 2 KB | P-LQFP64-10x10-0.50 | Yes | Yes |
| R5F2LA67ADFA | 50 KB | 3584 Bytes | P-LQFP64-14x14-0.80 | Yes | Yes |
| R5F2LA67ADFP | 50 KB | 3584 Bytes | P-LQFP64-10x10-0.50 | Yes | Yes |
| R5F2LA67ANFA | 50 KB | 3584 Bytes | P-LQFP64-14x14-0.80 | Yes | Yes |
| R5F2LA67ANFP | 50 KB | 3584 Bytes | P-LQFP64-10x10-0.50 | Yes | Yes |
| R5F2LA68ADFA | 66 KB | 3584 Bytes | P-LQFP64-14x14-0.80 | Yes | Yes |
| R5F2LA68ADFP | 66 KB | 3584 Bytes | P-LQFP64-10x10-0.50 | Yes | Yes |
| R5F2LA68ANFA | 66 KB | 3584 Bytes | P-LQFP64-14x14-0.80 | Yes | Yes |
| R5F2LA68ANFP | 66 KB | 3584 Bytes | P-LQFP64-10x10-0.50 | Yes | Yes |
| R8C/LA8A group | |||||
| R5F2LA84ADFA | 18 KB | 2 KB | P-LQFP80-14x14-0.65 | Yes | Yes |
| R5F2LA84ADFP | 18 KB | 2 KB | P-LQFP80-12x12-0.50 | Yes | Yes |
| R5F2LA84ANFA | 18 KB | 2 KB | P-LQFP80-14x14-0.65 | Yes | Yes |
| R5F2LA84ANFP | 18 KB | 2 KB | P-LQFP80-12x12-0.50 | Yes | Yes |
| R5F2LA86ADFA | 34 KB | 2 KB | P-LQFP80-14x14-0.65 | Yes | Yes |
| R5F2LA86ADFP | 34 KB | 2 KB | P-LQFP80-12x12-0.50 | Yes | Yes |
| R5F2LA86ANFA | 34 KB | 2 KB | P-LQFP80-14x14-0.65 | Yes | Yes |
| R5F2LA86ANFP | 34 KB | 2 KB | P-LQFP80-12x12-0.50 | Yes | Yes |
| R5F2LA87ADFA | 50 KB | 3584 Bytes | P-LQFP80-14x14-0.65 | Yes | Yes |
| R5F2LA87ADFP | 50 KB | 3584 Bytes | P-LQFP80-12x12-0.50 | Yes | Yes |
| R5F2LA87ANFA | 50 KB | 3584 Bytes | P-LQFP80-14x14-0.65 | Yes | Yes |
| R5F2LA87ANFP | 50 KB | 3584 Bytes | P-LQFP80-12x12-0.50 | Yes | Yes |
| R5F2LA88ADFA | 66 KB | 3584 Bytes | P-LQFP80-14x14-0.65 | Yes | Yes |
| R5F2LA88ADFP | 66 KB | 3584 Bytes | P-LQFP80-12x12-0.50 | Yes | Yes |
| R5F2LA88ANFA | 66 KB | 3584 Bytes | P-LQFP80-14x14-0.65 | Yes | Yes |
| R5F2LA88ANFP | 66 KB | 3584 Bytes | P-LQFP80-12x12-0.50 | Yes | Yes |
| ST9 group | |||||
| ST92F120JV1Q | 128 KB | 4 KB | 100-pin PQFP (0.65 mm pitch) | Yes | -- |
| ST92F120JV1T | 128 KB | 4 KB | 64-pin TQFP (0.8 mm pitch) | Yes | -- |
| ST92F120JV9Q | 60 KB | 2 KB | 100-pin PQFP (0.65 mm pitch) | Yes | -- |
| ST92F120JV9T | 60 KB | 2 KB | 64-pin TQFP (0.8 mm pitch) | Yes | -- |
| ST92F120V1Q | 128 KB | 4 KB | 100-pin PQFP (0.65 mm pitch) | Yes | -- |
| ST92F120V1T | 128 KB | 4 KB | 64-pin TQFP (0.8 mm pitch) | Yes | -- |
| ST92F120V9Q | 60 KB | 2 KB | 100-pin PQFP (0.65 mm pitch) | Yes | -- |
| ST92F120V9T | 60 KB | 2 KB | 64-pin TQFP (0.8 mm pitch) | Yes | -- |
| ST92F124R9 | 64 KB | 2 KB | 64-pin TQFP (0.8 mm pitch) | Yes | -- |
| ST92F124V1 | 128 KB | 4 KB | 100-pin PQFP (0.65 mm pitch) | Yes | -- |
| ST92F150 | 128 KB | 2 KB | 100-pin TQFP (0.65 mm pitch) | Yes | -- |
| ST92F250 | 256 KB | 8 KB | 100-pin TQFP (0.65 mm pitch) | Yes | -- |






















