STM8 Adapter
The STM8 Adapter maps from the standard 20-pin 0.1" connector to the SWIM connector, and the 10-pin 0.1"-pitch connector.
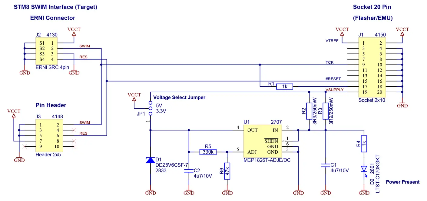
Overview
The STM8 Adapter converts the standard 20-pin 0.1" connector to the SWIM connector and a standard 10-pin connector. In addition the target board can be powered using the external input connector on the STM8 Adapter. The adapter is able to optionally power the connected target hardware. 3.3 V or 5 V supply voltage can be selected using a Jumper. The target is supplied via the VCCT connection when the supply option is jumpered.
Please note that this adapter is usable only for the purpose of flash programming. It cannot be used with a J-Link and it cannot be used for debugging STM8 devices.
Schematics
The Flashers are tested with a 4 way ribbon cable of type ERNI part no. 839016 (100 mm) mounted with keyed header (female) mounted on both sides (resulting in a total length of around 120 mm).



