Infineon Aurix DAP-10 Adapter
The Infineon Aurix DAP-10 Adapter enables an OCDS DAP connection to a target hardware system that has a DAP connector.
Overview
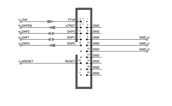
The Infineon Aurix DAP-10 Adapter allows an OCDS DAP connection to a target hardware system that has a DAP connector. It adapts from the SEGGER 20-pin target interface connector to a 10-pin 0.05'' Samtec FTSH (e.g. FTSH-105-01-L-DV-K) connector. Ribbon cable (15 cm) included.
The SEGGER Infineon Aurix DAP-10 Adapter can be used to connect a Flasher device to Infineon Aurix™ TC2xx, TC3xx, TC4xx, and C167 microcontrollers. It may also be used to connect the Flasher to a different target as far as the target connector uses the same pinout as shown below.

